Дополнительные функции
Многие ЗУ имеют ряд дополнительных функций, призванных облегчить жизнь пользователя. Разберем главные из них.
Защита от переполюсовки
Переполюсовка — это неправильное подключение зарядного устройства к аккумулятору: минусовый контакт к плюсовой клемме и положительный, соответственно, к минусу. Это опасная ошибка, которая может привести к тому, что и само ЗУ, и аккумуляторная батарея выйдут из строя. Поэтому защита от переполюсовки необходима каждому современному заряднику.
Она бывает 3-х типов:
- на тиристоре;
- на реле;
- на полевом транзисторе.
Тиристорная схема «забирает» для своей работы около 2 В от выходного напряжения, что заставляет изменять выходные параметры. В некоторых зарядниках, к примеру, для АКБ мотоцикла, которые должны выдавать всего 6-7 В, тиристорную схему применять нецелесообразно.
Реле не приводит к потерям по току и напряжения, но схема с реле всегда «вторичного» действия — чтобы реле сработало, импульс должен пройти. Поэтому оно не всегда успевает включиться и защитить зарядное устройство. Кроме того, реле не сработает, если батарея посажена «в ноль».
Поэтому наиболее оптимальный тип защиты — на транзисторе-полевике. Она лишена вышеперечисленных недостатков.
Если у вашего зарядного устройства нет защиты от переполюсовки — его можно изготовить своими руками при наличии определенных навыков радиомонтажника.
Защита от короткого замыкания
Защита от короткого замыкания необходима для того, чтобы ЗУ не вышло из строя при внезапной неисправности в сети — или от того, что на клеммы подключенного к нему аккумулятора случайно упал гаечный ключ и соединил их напрямую.
Обдумывая, какое зарядное устройство выбрать, нужно учесть, что оно обязательно должно иметь защиту от КЗ. К слову, это все импульсные устройства и многие из трансформаторных.
Защита реализована путем включения в электронную цепь зарядника автоматической схемы, которая мгновенно размыкает выходную цепь при коротком замыкании и обесточивает систему.
Варианты исполнения могут базироваться на электрореле и современных автоматических выключателях (действующих по тому же принципу, что и автоматы в домашнем электрощитке). Последние предпочтительней, т. к. реле имеет традиционную проблему с «запаздыванием».
Помимо вышеперечисленных, качественное зарядное устройство для аккумулятора должно иметь следующие уровни защиты:
1. От перегрузки при работе.
2. От перегрева.
3. От избыточного зарядного тока и напряжения.
4. От перезаряда.
Лучшие пуско-зарядные устройства для автомобильных аккумуляторов
Пуско-зарядки – это приборы, позволяющие быстро зарядить аккумулятор машины в любой ситуации. Они часто используются на автопарках или автосервисах, для экстренной помощи аккумулятору. При составлении рейтинга рассматривалось 9 номинантов, всего отобрали только 4 зарядки с высокой мощностью.
Airline AJS-55-05
Зарядки созданы для автомобилей и мотоциклов разного типа. Модель имеет прочный корпус с переносной ручкой, что делает его более удобным при транспортировке с одного предприятия на другое. Работает за счет ручной регулировки зарядного тока, а также встроенного амперметра. Применяется преимущественно на больших станциях автомобильного обслуживания. Обеспечивает максимальный ток до 55 А, напряжение АКБ составляет 6/12 А.ч.

Достоинства
- Много функций;
- Быстрая подзарядка;
- Обслуживает многие машины;
- Не перегревается.
Недостатки
Высокая цена.
Зарядное устройство для автомобиля выполняет все функции, его часто выбирают станции технического облуживания и автосервисы. Прибор практичный и удобный, имеет не тонкие шнуры, удобные крокодилы, безопасный в использовании.
Artway JS-1014
Компактный прибор с весом 420 г., работает за счет встроенной батареи, ее емкость составляет 14000 мАч. Этого достаточно на большое количество процедур, поэтому прибор будет уместным в разных ситуациях. Дополнительной его функцией является подзарядка мобильного телефона, что тоже очень удобно. Есть встроенный фонарик на случай разрядки ночью. Работает от сети, обеспечивает зарядом даже те аккумуляторы, которые полностью сели.

Достоинства
- Быстро заряжает;
- Надолго сохраняет заряд;
- Есть индикатор;
- Стильное оформление;
- Легкий вес.
Недостатки
Не обнаружено.
Fubag Force 220
Переносное оборудование, которое можно использовать в автомастерской, на СТО, а также в гаражах. Оно обеспечивает быструю подзарядку, позволяет управлять транспортом даже зимой. С помощью специальных зажимов обеспечивается надежная фиксация, а также быстрое подключение. Благодаря встроенной защите предотвращается поломка аккумулятора, он работает не один год. Простое импульсное зарядное устройство для автомобильного аккумулятора подходит под разный транспорт, часто его используют даже для мотоциклов.

Достоинства
- Есть индикатор зарядного тока;
- Хорошая защита от короткого замыкания;
- Две ступени подзарядки;
- Качественные зажимы;
- Быстрая подзарядка.
Недостатки
Не обнаружено.
Fubag Force 220 – практичный прибор, который обеспечивает мгновенную зарядку. Его выбирают, как любители авто для самообслуживания, так и частные предприятия в виде СТО или автосервисов.
Berkut Specialist JSL-12000
Недорогое устройство подходит для быстрой подзарядки любой техники: мотоциклов, авто, легковых автомобилей. Оно поддерживает аккумулятор в рабочем состояние даже при отсутствии функций машины. Модель работает от сети, поддерживает 220 Вт. Уровень подзарядки достигает 70-90%, защищает батарею от «кипения», не теряет ее практичных свойств. В комплекте идут удобные крокодилы и штекер прикуривателя.

Достоинства
- Справляется с функциями;
- Удобно использовать;
- Хорошие крокодилы;
- Доступная цена.
Недостатки
Не обнаружено.
По отзывам можно понять, что этот удобный и вместительный прибор станет хорошим помощником в дороге, сможет вернуть аккумулятору заряд. Он мгновенно заряжает, простой в использовании, его можно возить с собой.
Общие сведения о процессе зарядки АКБ
Заряд автомобильного аккумулятора необходим при падении напряжения на клеммах менее 11,2 Вольта. Несмотря на то, что аккумуляторная батарея может запустить двигатель автомобиля и при таком заряде, во время длительной стоянки при пониженных напряжениях начинаются процессы сульфатации пластин, которые приводят к потере емкости АКБ.
Поэтому во время зимовки автомобиля на стоянке либо в гараже необходимо постоянно производить подзарядку аккумулятора, следить за напряжением на его клеммах. Более лучший вариант – снять аккумуляторную батарею, занести в теплое место, но все равно не забывать о поддержании его заряда.
Заряд аккумулятора ведется постоянным либо импульсным током. В случае зарядки от источника постоянного напряжения обычно выбирается ток заряда равный одной десятой от емкости АКБ.
Например, если емкость аккумуляторной батареи составляет 60 ампер-часов, ток заряда следует выбирать 6 Ампер. Однако, исследования показывают, что, чем меньше ток заряда, тем наименее интенсивно идут процессы сульфатации.
Мало того, существуют методы десульфатации пластин аккумулятора. Они заключаются в следующем. Сначала АКБ разряжается до напряжения 3 – 5 Вольт большими токами малой длительности. Например такими, как при включении стартера. Затем идет медленный полный заряд током около 1 Ампера. Такие процедуры повторяют 7-10 раз. Эффект десульфатации от этих действий есть.
Практически на таком принципе основаны десульфатирующие импульсные зарядные устройства. АКБ в таких приборах заряжается импульсным током. За период зарядки (несколько миллисекунд) на клеммы аккумулятора подается разрядный короткий импульс обратной полярности и более длительный зарядный прямой полярности.
Очень важно в процессе заряда не допустить эффекта перезаряда аккумуляторной батареи, то есть момента, когда он зарядится до предельного напряжения (12,8 – 13,2 Вольта в зависимости от типа АКБ). Это может вызвать закипание аккумулятора, увеличение плотности и концентрации электролита, необратимые разрушения пластин. Именно поэтому заводские зарядные устройства снабжены электронной системой контроля и отключения
Именно поэтому заводские зарядные устройства снабжены электронной системой контроля и отключения
Это может вызвать закипание аккумулятора, увеличение плотности и концентрации электролита, необратимые разрушения пластин. Именно поэтому заводские зарядные устройства снабжены электронной системой контроля и отключения.
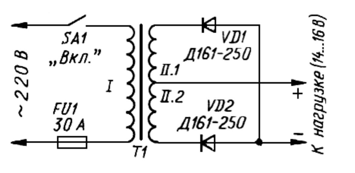
Описание и принцип работы пуско-зарядного устройства
Здесь особо сложного ничего нет. Сетевое U = 220 В подаётся через выключатель на первичную обмотку трансформатора, а на вторичной происходит уменьшение переменного напряжения. Потом оно сглаживается двухполупериодным или мостовым выпрямителем, собранным на мощных диодах. Далее пульсирующее напряжение может быть отфильтровано посредством электролитических конденсаторов. При необходимости около выхода осуществляется увеличение напряжения, что делается с помощью усилителей, в которых основными компонентами являются транзисторы, тиристоры.
Из недостатков описываемого пуско-зарядного устройства можно отметить разве что солидный вес, что обусловлено установкой мощного и, как следствие, габаритного трансформатора. Ниже – схема двухполупериодного пуско-зарядного устройства своими руками:

В этой схеме задействован лабораторный трансформатор ЛАТР. Вместо двух диодов можно использовать и диодный мост типа КЦ405. Схема пуско-зарядного устройства для автомобиля с усилителем:

Как сделать пуско-зарядное устройство своими руками, чтобы оно наверняка заработало? Нужно соблюдать параметры деталей. Мощность указанных на картинке тиристоров – не менее 80 А (если будет использоваться диодный мост, то от 160 А). Диоды на ток – 100–200 А. Транзистор – КТ361 либо КТ 3102 (можно любой другой с такими же параметрами). Мощность используемых резисторов – от 1 Вт.
Собранное своими руками зарядно-пусковое устройство подключается через зажимы-крокодилы к АКБ в соответствии с полярностью. При нормально заряженной батарее с ПЗУ энергия поступать не будет. Если же АКБ не функционирует, тиристорный переход откроется, и зарядный ток пойдёт на батарею и стартер.
Расчёт обмоток трансформатора
Сначала нужно подобрать магнитопровод, сечение которого должно быть не меньше 37 кв. см. Чтобы рассчитать количество витков в первичной обмотке, необходимо воспользоваться формулами: Т = 30/S, где S – площадь магнитопровода и N = 220*Т, то есть W1 = 220*30/37 = 178 витков. Для обмотки необходимо использовать изолированный провод сечением не менее 2 кв. мм. Формула для вторичной обмотки: W2 = 16*Т = 16*30/37 = 13 витков. Здесь понадобится шина из алюминия площадью 36 кв. мм.
Стоит заметить, что формулы не всегда могут выдавать точное число обмоток (особенно вторичной), поэтому можно применить метод подбора. Намотав первичную обмотку, накрутите несколько витков вторичной и измерьте получившееся напряжение, не обрезая шину. Таким образом нужно добиться на выходе значения 14–16 В.
Дело будет обстоять проще, если у вас имеется ЛАТР – лабораторный трансформатор. От него нужно взять сердечник. Количество витков первичной обмотки – 265–295. Используйте изолированный провод сечением 2 мм. Намотку производите в три слоя. Далее обязательно проверьте значение тока холостого хода (включите мультиметр в разрыв между сетью 220 В и одним из концов обмотки). Прибор должен показывать 210–390 мА. Если показания больше, число витков нужно увеличить, в противном случае, наоборот, уменьшить. Вторичная обмотка разделена на две секции, в каждой из которых 15–18 витков. Здесь понадобится провод сечением 10 кв. мм.
Расчёт выпрямителя
Далее рассмотрены параметры электронных компонентов (помимо указанных выше), применяемых в обеих схемах:
- Диоды. Максимальный пропускаемый ток не должен быть менее 100 А. Это могут быть В200, Д141, 2Д141, 2Д151 и иные аналогичные детали. Вместо КД105 не возбраняется применять КД209 или даже Д226. Стабилитрон – Д808, 2С182 и т. п.
- Тиристоры. I = 80 А и более: ТС185, Т15-80, Т15-100, Т161, Т125 и т. п. Если используется вариант выпрямления тока с диодным мостом, тиристоры будут мощнее вдвойне: Т15, Т160, Т250, Т16 и другие, аналогичные.
- Транзисторы. Здесь важен коэффициент усиления h = 21э. Это КТ361 либо КТ3107 проводимостью n-p-n. Вместо КТ816 подойдёт и КТ814.
- Резисторы. Желательно, чтобы их мощность была не менее 1 Вт.
- Выключатель. Должен держать ток от 6 А.
Подбор сечения проводов
Подбирая выходные провода, которые будут присоединяться к аккумулятору, нужно помнить, что их диаметр не может быть меньше такого же параметра вторичной обмотки. Лучше использовать многожильный медный кабель, используемый в сварочных аппаратах, где каждый проводок имеет сечение 2,5 кв. мм. Такую же площадь должен иметь провод, посредством которого самодельный аппарат будет подключаться к сети. Не забудьте приобрести мощные зажимы-крокодилы для подключения к клеммам АКБ. Здесь тоже рекомендуется использовать изделия, применяемы при сварке («масса»).
Некоторые компании-производители ЗУ
Давайте вкратце рассмотрим некоторых популярных производителей зарядных устройств, чтобы вам легче было сделать выбор. Трудно однозначно сказать, какое зарядное устройство для автомобильного аккумулятора лучше из всего изобилия на рынке. Но, рассматривая продукцию разных производителей, можно найти что-то оптимальное и сделать правильный выбор.
ЗУ «Калибр»
Начнём с российских производителей. Отечественная компания «Калибр» выпускает достаточно широкий спектр устройств для зарядки автомобильных аккумуляторов по демократичной цене.

ЗУ-100

ЗУИ-8

ЗУ-700
Зарядные устройства «Сорокин»
Доступные зарядные для аккумулятора продаются компанией «Сорокин». Инструмент под брендом «Сорокин» проектируется в России и выпускается на отечественных и зарубежных предприятиях. В качестве примеров можете посмотреть зарядные устройства ниже с различными характеристиками:

ЗУ Сорокин 4A 6/12В

ЗУ Сорокин 4A 6/12В

ЗУ Сорокин 15A 12В Boost
Как сообщается на сайте производителя, все эти устройства можно использовать для зарядки аккумуляторных батарей WET, AGM, GEL.
ЗУ «Ресанта»
Этот латвийский производитель предлагает пусковые аккумуляторы, которые укомплектованы аккумуляторной батареей. Благодаря этому, устройство поможет запустить мотор, если сел аккумулятор вдали от электросетей.
ПУ-1 12В 7А-ч 250А

ПУ-2 12В 17А-ч 400А
Прибор ПУ-2, как более дорогая модель, ещё имеет интерфейс USB, компрессор, фонарик.
Зарядные устройства «Telwin»
Известная итальянская фирма выпускает высококачественные ЗУ самого разного назначения.
Среди наиболее доступных можно назвать NEVATRONIC 12, T-CHARGE 12, которые подходят для зарядки всех типов аккумуляторов (WET, AGM, GEL) номиналом 12 вольт. Есть и профессиональные модели типа STARTRONIC 530 по заоблачным ценам.
NEVATRONIC 12

T-CHARGE 12

STARTRONIC 530
ЗУ «Aiken»
Под брендом «Aiken» у нас выпускаются по лицензии широкая гамма зарядных устройств для автомобильных аккумуляторов. Ниже приведены некоторые широко распространённые модели.

MCB12M 6/12В

MCB15M 6/12В

MCB13S 12/24В
Зарядные устройства для классических аккумуляторов
Оборонприбор ЗУ-75А

Конструкцию этого зарядного устройства можно описать словами «проще не придумаешь» — внутри его корпуса скрыты трансформатор с переключением выводов вторичной обмотки (тумблер 4А/6А на корпусе), диодный мост и контрольный амперметр. Для хранения в сыром и плохо проветриваемом гараже это оптимальный вариант – в отличие от электронных зарядных устройств, тут банально нечему ломаться.
Определенные нюансы эксплуатации связаны с небольшой габаритной мощностью встроенного трансформатора – хотя производитель и заявляет о возможности работы с 90-амперными аккумуляторами, реально «потолок» для ЗУ-75 – это АКБ с емкостью 65 ампер-часов, для их зарядки потребуется еще вполне приемлемое время.
С необслуживаемыми кальциевыми батареями это зарядное устройство можно использовать только при крайней необходимости, и тем более с AGM или гелевыми: в конце процесса зарядки напряжение на клеммах может превышать 15 В, что для таких батарей чревато повреждениями.
Вымпел 55
Проверенный отечественный аппарат многие считают самым лучшим программируемым зарядным устройством, доступным на рынке за приемлемую стоимость. Вымпел 55 предназначен для подзарядки большинства типов автомобильный батарей, включая редко встречающиеся сурьмянистые, АКБ глубокого разряда (Deep-Cycle) и с увеличенным ресурсом (Long Life).
Рабочее напряжение – 6/12 В, ток заряда аппарата можно регулировать в диапазоне 0,5-15,0 А, напряжение – 0,5-18,0 В. Реализованы функции автоматического включения (задаётся по таймеру) и отключения, защиты от КЗ/перегрева/переполюсовки.
Прибор характеризуется наличием обширного перечня настроек, имеются также встроенные режимы, ориентированные на аккумуляторы определённого типа. Настройки можно сохранять в энергонезависимой памяти, при необходимости Вымпел 55 можно использовать как блок питания, вольтметр или предпусковой девайс. И стоит такой многофункциональный девайс порядка 4500 рублей.
| Достоинства | Недостатки |
| Большое число встроенных алгоритмов | Поддерживает только 12-вольтные АКБ |
| Таймер включения/отключения | Корпус непрочный |
| Ручная настройка алгоритмов | Небольшой ресурс |
| Обширный дополнительный функционал |
Подключение

Перед выполнением соединения проводов к батарее, необходимо обязательно остановить двигатель, если он работал. Многие современные приборы не требуют отключения клемм автомобиля от питания. При этом вам нужно только остановить мотор, снимать клеммы нет необходимости. Произвести визуальный осмотр на предмет отсутствия подтеков электролита, наличия влаги на батарее.
После этого можно начинать подключение устройства к батарее. Если клеммы не были сняты, то прибор подключается поверх машинных клемм. Металлические «крокодилы» зарядного прибора должны хорошо фиксироваться. Если клеммы машины были заранее сняты, то зарядный прибор подключается прямо к клеммам батареи.
Зарядное устройство подсоединяется следующим образом:
- Сначала нужно подсоединить положительный провод красного цвета устройства к положительной клемме аккумулятора.
- Далее подключить отрицательный провод черного цвета прибора к отрицательной клемме батареи.
- Затем необходимо проверить, прочно ли закреплены клеммы.
- Вставить вилку устройства в сеть.
- При включении в работу прибора, нужно настроить необходимый режим заряда по инструкции.
Отключение прибора из работы производится в обратной последовательности. Сначала нужно перевести устройство в ждущий режим, далее отключить от сети питания, и снять отрицательный черный провод, затем положительный красный провод.
Когда следует заряжать батарею
Аккумулятор, установленный на машине, следует заряжать только при определенных ситуациях и условиях. В других случаях в этом нет необходимости. В машине имеется генератор, который при функционировании мотора преобразует энергию вращения коленчатого вала в электрический ток. С помощью вырабатываемой электроэнергии генератором, осуществляется питание всей бортовой сети машины, в том числе и зарядка батареи. Поэтому, при частых и длительных поездках, батарея на вашем автомобиле чаще всего заряжена нормально.
Батарея требует зарядки только в определенных случаях:
- При длительных и безрезультатных попытках запустить двигатель.
- Автомобиль долгое время стоял в гараже без работы.
- Мотор не запускается, и при этом нет даже щелчков реле стартера.
- При показаниях приборов о разряде аккумулятора.
Если индикатор на приборах показывает, что батарея разряжена, то можно и не заряжать ее, если двигатель запустится. После запуска генератор подзарядит батарею. Но если, вам необходимо в пути глушить мотор, либо ехать далеко за город, то целесообразно зарядить батарею.
Если мотор не запускается, и при этом даже не работает реле стартера, то становится ясно, что не хватает мощности батареи. При этом нужно батарею зарядить, либо воспользоваться пуско-зарядным прибором для запуска двигателя, и немного подождав, пока батарея подзарядится, продолжать поездку на машине.
Если вы длительное время никуда не ездили на автомобиле, и не запускаете двигатель в зимнее время, то батарею нужно заряжать, хотя бы один раз за месяц. Если батарея уже старая, и хранится в холодном помещении, либо автомобиль стоит на морозе на улице, то следует проверять зарядку аккумулятора и уровень электролита несколько раз за месяц.
Если при нескольких попытках запустить мотор ничего не получилось, то причина не в батарее, а в самом двигателе. После этого необходимо произвести зарядку. Для запуска мотора нужно большое количество электроэнергии, и если вы пытались запустить двигатель несколько раз, то, скорее всего батарея уже разряжена.
Как проверить зарядное устройство для автомобильного аккумулятора
При регулярном использовании ЗУ любого типа возникает необходимость узнать, как проверить его работоспособность. Сделать это несложно, если разобраться в принципе его устройства и работы. В заряднике имеются трансформатор и выпрямитель. На выходе образуется напряжение, которое необходимо для регенерации ёмкости батареи.
Более высокий ток проходит через электролит, восстанавливая его качества. Слишком высокий ток опасен для самой АКБ, поскольку может вывести её из строя. Как только она подключается к источнику питания, происходит смена параметра внутреннего сопротивления, а сила тока постепенно уменьшается. Классическая схема выглядит примерно так: для аккумулятора на 60 А потребуется 10 часов питания при токе, не превышающем 10% от ёмкости, то есть при 6 амперах.
Чтобы быть уверенным в работоспособности самого ЗУ, нужно сначала замерить напряжение. Оно должно на клеммах быть 14,4 Вольта, сохраняя это значение. Даже небольшое снижение этого критерия приведёт к тому, что оно не сможет полноценно восстанавливать АКБ. Если напряжение ниже 13 Вольт, его использование будет бессмысленным.
Теперь с помощью амперметра или мультиметра нужно замерить силу тока. Для того ЗУ просто включат в сеть и присоединяют амперметр на одну из клемм. Таким образом можно сравнивать показания приборов с заданными, как для ручных, так и для автоматизированных зарядников. Силу тока устройство может рассчитывать путём измерения ёмкости батареи, которая нуждается в восстановлении.
Если обнаружено отклонение, придётся заняться поиском неисправностей. Можно проверить диодный мост и заменить неисправные места. Потом проверить плату, которая является составной частью автоматического зарядного устройства. Нередко причина кроется в вышедшем из строя конденсаторе или трансформаторе. Если собственного опыта недостаточно, целесообразно отдать прибор в ремонт опытным специалистам.
Наличие индикации
Присутствие индикации является важным критерием, пренебрегать которым не стоит. Нужна она для того, чтобы контролировать, что выбранное зарядное устройство делает с вашим аккумулятором. Конечно, измерять вольты и амперы можно с помощью мультиметра. Но это неудобно. Кроме того, мультиметр не может заменить некоторые виды индикации.
Зарядное устройство без индикации
Первое, что должно быть на хорошем зарядном устройстве для автомобильного аккумулятора — это амперметр и вольтметр. Первый прибор есть практически на всех моделях. Хотя их точность и информативность зачастую оставляет желать лучшего. Что же касается вольтметров, то они, почему-то, считаются не очень важными приборами. А зря. От напряжения заряда во многом зависит ресурс обслуживаемого аккумулятора, потому не лишним будет его периодически контролировать. Даже если ЗУ полностью автоматическое.
Зарядное устройство с вольтметром и амперметром
Выбрав зарядное с вольтметром и амперметром, не поленитесь проверить их точность. Сделать это можно при помощи простейшего мультиметра. Чтобы проверить показания штатного вольтметра, включите мультиметр в режим измерения постоянного напряжения в диапазоне до 20 В, и подсоедините щупы непосредственно к клеммам АКБ. Амперметр проверяется тем же мультиметром. Только теперь на нём надо включить соответствующий режим, переставить в соответствующее гнездо щуп, и добавить в цепь последовательно (между одной из клемм АКБ и снятым с неё зажимом ЗУ).
Второй вид индикации — это светодиоды или лампочки (в устаревших моделях), а также пиктограммы на дисплее крутых зарядных устройств. Весьма полезные, так как при наличии позволяют контролировать:
- наличие сетевого напряжения;
- заряжается ли аккумулятор;
- конец заряда;
- правильность подсоединения крокодилов;
- перегрузки;
- короткие замыкания;
- перегрев и другие параметры.
Повторим, что наличие такого рода индикаторов вовсе не обязательное. Но если есть возможность выбрать зарядное устройство с ними, это будет только в плюс. В то же время без вольтметра и амперметра ЗУ лучше не покупать. Замучаетесь либо контролировать напряжение и ток мультиметром, либо часто менять испорченные аккумуляторы. И это не преувеличение.
Зарядное устройство со светодиодной индикацией
Особенности выбора
Факторов, влияющих на выбор оптимального ЗУ, не так уж много. Чтобы понять, какое зарядное устройство лучше для вашего авто, рассмотрим самые важные из них.
Ток заряда
Выбирайте такое ЗУ, максимальный ТЗ которого составляет 10% от номинала ёмкости вашей аккумуляторной батареи. Для самых распространённых 60-амперных АКБ допустимым значением будет 6 А. Превышать его не рекомендуется, поскольку зарядка повышенными номиналами способствует более быстрой сульфатации пластин. С другой стороны, чем ниже номинал, тем дольше придётся ждать окончания процесса.
Напряжение
Здесь всё просто – большинство автомобильных аккумуляторов – 12-вольтовые. 24-вольтовые встречаются в грузовиках, да и там физически присутствуют два 12-вольтных соединённых параллельно источников. Существуют также подзарядки на 6 В, предназначенные для восстановления источников питания для мототехники.
Пусковой ток
Этот параметр тоже рассчитать несложно: необходимо номинальную ёмкость аккумулятора умножить на три. Так, для источников номиналом 55 А*ч ЗУ должно обеспечивать минимум 165 ампер.
Стоимость/качество сборки
Если определяющим фактором является стоимость, нужно учитывать, что трансформаторные ЗУ – самые дешёвые, но ими можно заряжать только свинцово-кислотные батареи. Автоматические зарядные устройства относятся к средней ценовой категории, и они же являются самыми универсальными. Наиболее дорогие зарядники – программируемые/интеллектуальные, их можно рекомендовать начинающим автолюбителям.
Что касается качества сборки, то здесь поможет визуальный осмотр изделия. Если в описании ЗУ имеются грамматические ошибки, или качество швов на корпусе вызывает сомнения, а площадь сечения проводов слишком маленькая – скорее всего, перед вами некачественная китайская поделка, которая вряд ли прослужит долго.
Дополнительные функции
Наличие функции десульфатации электродов будет очевидным плюсом, если вы эксплуатируете АКБ «до последнего вздоха». В этом случае у вас появится возможность реанимации автомобильного источника питания, подвергшегося полному разряду.
Встречаются модели, способные осуществлять проверку работоспособности источника питания. Функция полезна для владельцев батарей необслуживаемого типа, у которых нет возможности проверить состояние банок.
Защита от КЗ или переполюсовки – функции, которыми снабжается большинство импульсных приборов, а также некоторые трансформаторные модели. Их наличие также весьма желательно.
Теперь, когда вы знаете, на что обращать внимание при выборе подходящего ЗУ, рассмотрим свежий рейтинг лучших автомобильных зарядных устройств, составленный по результатам тестирований и по отзывам пользователей
Где купить автомобильное зарядное устройство?
Где приобретать автомобильное пуско зарядное устройство? Данные изделия сейчас предлагают многочисленные магазины, интернет-компании и индивидуальные предприниматели. Но при покупке товара у случайного продавца высока вероятность приобретения прибора, не отвечающего требованиям качества и надежности (а главное – безопасности) работы.
В первую очередь, лучше всего посетить Яндекс Маркет, где удобно сравнивать товары, есть возможность почитать отзывы клиентов и отсортировать автомобильные зарядные устройства по оптимальным ценам
Так же мы подобрали проверенные интернет магазины, с оптимальными ценами и хорошим выбором авто зарядных устройств.
Данные магазины предоставляют:
— широкий выбор автомобильных пуско зарядных устройств;
— идеальное качество каждого образца;
— возможность подобрать товар с учетом лучшего соотношения цены и качества;
— гибкая система ценообразования;
— оперативность выполнения заказа;
— надежная и безопасная доставка оборудования по адресу заказчика.
Если хотите гарантировано купить хорошее зарядное устройство для автомобильного аккумулятора – обращайтесь к профессионалам!
Мы собрали для Вас объективные отзывы на автомобильные зарядные устройства, от покупателей, автомобилистов и наших читателей.




































