Тысяча ньютонов
Проработка первых вариантов конструкции этой трансмиссии началась конце 2013 года. Примерно в то же время была принята кинематическая схема и началась отработка математических моделей на компьютерах. Требовалось подобрать оптимальные алгоритмы переключения в различных режимах движения автомобиля. Первые прототипы, проходившие испытания на стендах, появились в конце 2015 года. Можно предположить, что сейчас трансмиссии и двигатели уже испытывают на прототипах автомобиля.
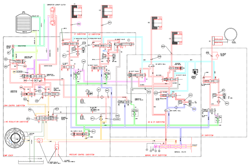
Трансмиссия рассчитана на работу с самыми мощными двигателями в рамках проекта Единой модульной платформы (ЕМП), то есть V12 мощностью свыше 850 л.с. и V8. Показанный НАМИ на автосалоне V12 рабочим объемом 6,6 л может развивать максимальный крутящий момент до 1470 Нм, коробка же рассчитана только на 1000. Тут разработчикам пришлось пойти на компромисс – увеличение расчетного крутящего момента привело бы к росту размеров и массы трансмиссии, а также вышло бы за пределы ограничений по сцеплению с поверхностью дороги. Поэтому крутящий момент двигателя будет ограничен 1000 Нм, чтобы машина могла тронуться без срыва грунта и трансмиссия работала без перегрузок.
Но и 1000 Нм – действительно впечатляющий показатель – такой момент выдают считанные единицы среди серийно выпускаемых легковых моделей.
История создания автоматической коробки передач
Первыми, кто изобрел автоматическую коробку передач, можно назвать американских братьев Стартевентов. В 1904 году они придумали первую версию АКПП и представили ее миру. По сути, эта коробка являлась усовершенственной «механикой» с двумя ступенями, переключения которых осуществлялись автоматически. Проект не был реализован в массовое производство по ряду причин.
Следующими значимыми разработками по созданию автоматической коробки занимались инженеры компании Ford. На тот момент уже был запущен в серию легендарный автомобиль «Model-T», на котором и велась отработка автоматической планетарной КПП с двумя скоростями вперед и одной назад.
Позаимствовав вариант такой трансмиссии у производителей Ford, Карл Бенц доработал экземпляр для установки его на авто «Мерседес-Бенц». Но утверждение, что именно Бенц придумал АКПП, является неверным.
Видео: Как устроена и как работает акпп. Обучающий видеоурок
Видео: Толчки в АКПП на холодную причины и как устранить
Наличие гидроблока, играющего роль сцепления в АКПП, определяет начало существования классического «автомата». Первый гидротрансформатор создал немец Герман Феттингер. Его изобретение было придумано для преобразования крутящего момента от двигателя через специальные механизмы на лопасти судна. В 1902 году появилась запатентованная версия гидроблока, способного обеспечивать до 90% КПД двигателей на кораблях.
Гидродинамический механизм Феттингера, сделавший минимальными потери энергии в двигателе, в начале применялся только в судостроении. Позже этот агрегат перекочевал в отрасль автомобилестроения. Запатентовал первую в мире коробку автомат с гидротрансформатором в 1935 году армянский изобретатель Азатур Сарафян, позднее взявший себе имя Оскар Бэнкер. После того, как он придумал свое детище, еще в течение семи лет ему пришлось отстаивать право присвоить патент себе. В то же время концерн General Motors начал применять изобретение в своем производстве.
40-е и 50-е года прошлого столетия характеризуются массовым внедрением в серийное производство автомобилей с коробкой «автомат». Такая КПП устанавливалась на американские марки авто: Chevrolet, Packard, Buick, Hudson и другие.
Устройство автоматической трансмиссии
Мысль придумать автоматическую коробку приходила многим. Первые образцы механической трансмиссии переключения передач были очень сложны в управлении. Водителю приходилось самостоятельно отслеживать обороты двигателя и на определенной скорости переключать ступени. МКПП тех времен не имела синхронизаторов, что делало управление автомобилем достаточно сложным.
Первая в мире автоматическая коробка передач, запущенная в серию, устанавливалась на автомобиль концерна GM Buick Roadmaster. Это был легковой автомобиль класса люкс, который оснащался АКПП за дополнительную плату и был доступен представителям высшего общества.
На то, чтобы создать современный «автомат» ушло несколько десятилетий. Первые образцы АКПП имели ряд недостатков:
За комфорт приходилось платить, и многие люди не хотели мириться с этим. Придумать и усовершенствовать автоматическую коробку передач, адаптированную для установки на несколько марок автомобилей удалось все тем же инженерам компании GM. Она получила название Hydra-Matic. Название акцентировало наличие в данном агрегате гидромуфты. Планетарная коробка работала в паре с гидротрансформатором. Тормозные механизмы плавно затормаживали пониженную ступень, а повышение давления рабочей жидкости обеспечивало одновременное включение следующей скорости. Ступеней стало четыре, и для них были придуманы соответствующие обозначения: Low, Low-Overdrive, High, High-Overdrive. Передача «Reverse» отвечала за задний ход.
Уже в 60-х годах придумали и стали применять коробки переключения с синтетической смазкой, что сделало их более надежными и увеличило их ресурс.
В середине шестого десятилетия была изобретена трансмиссия с привычным обозначением передач на панели коробки:
Принцип работы АКПП
Появившиеся автомобили с более современной автоматической коробкой передач произвели настоящую революцию среди автолюбителей. Теперь управлять транспортным средством было под силу даже женщинам, которые и облюбовали этот тип КПП. Переключения коробки были плавными и почти незаметными, а набор скорости стал более динамичным.
За момент переключения передачи отвечали фрикционы и реечные механизмы, которые работали одновременно в составе гидротрансформатора и обеспечивали комфорт во время управления авто.
Даже спортивный режим вождения не мешал водителю наслаждаться скоростью, если не брать во внимание значительный расход топлива
Какие бывают коробки автомат
Существует три вида автоматических трансмиссий:
- Классический гидротрансформатор;
- или вариаторная коробка;
- Роботизированная или «робот».
Садясь в автомобиль, оборудованный АКПП, визуально трудно определить, какой тип автоматической трансмиссии в ней установлен – две педали, знакомые буквы на консоли рядом с селектором КПП.
Все они имеют существенные отличия между собой в конструктивном и потребительском плане. Одни отличаются плавностью переключения передач, другие экономией топлива, третьи надежностью.
Одно их всех объединяет – предназначение. Назначение автоматической коробки передач – облегчить процесс управления автомобилем. Водителю ненужно задумываться, когда переключать скорость, как правильно выжимать педаль сцепления, как трогаться и какую скорость выбрать. Рассмотрим основные различия каждого типа автоматических трансмиссий, плюсы и недостатки. Разберемся, какая из них лучшая.
Что лучше – механика или автомат?
Как многие уже могли заметить, большинство российских автолюбителей отдают предпочтение МКПП. Одни эксперты считают, что это связано с менталитетом нации, другие – с установленными негативными стереотипами.
Другое дело американцы, 95% которых не представляют себе процесс вождения автомобиля, без наличия автоматической коробки. Но это совсем не удивляет, ведь АКПП была придумана американскими инженерами, которые хотели упростить жизнь водителей.
В России также наблюдается рост популярности автомата, но, как утверждают эксперты и аналитики, россияне не умеют правильно использовать автоматическую коробку. Каждый день в автомастерские обращается масса автолюбителей с неисправностями, основной причиной которых как раз и является неправильная эксплуатация.
Роботизированная коробка передач плюсы и минусы
Сложные системы, к каковым относятся и автомобильные трансмиссии, имеют вполне определенные достоинства и недостатка. Ниже приведен анализ плюсов и минусовв конструкции и эксплуатации роботизированной коробки передач. При этом в расчет принимаются динамические, стоимостные и некоторые другие характеристики агрегата.
К перечню положительных сторон коробки передач с роботизированным управлением можно отнести следующее:
- Высокая надежность механизма редуктора, проверенного длительной эксплуатацией.
- Применение сухого сцепления фрикционного типа способствует снижению потерь и уменьшению расхода топлива.
- Небольшое количество эксплуатационной жидкости – трансмиссионного масла порядка 3-4 литров, против – 6-8 литров у вариатора.
- Высокая ремонтопригодность роботизированной коробки (фактически в качестве ее основы используется хорошо известная механика).
- Автоматика повышает ресурс сцепления до 45 – 55 % по сравнению с традиционным управлением педалью.
- Наличие полуавтоматического режима, позволяющего водителю вмешиваться в работу агрегата при движении в сложных дорожных условиях на подъеме или в пробке.
Достоинства КПП «робот» очевидны, что способствует повышению популярности данного типа трансмиссии на автомобилях разного класса. Усилиями инженеров и конструкторов агрегат постоянно совершенствуется, его характеристики улучшаются.
Видео — как работает роботизированная коробка передач на Лада Приора:
Тем не менее, у роботизированной коробки передачимеются и некоторые минусы:
- Невозможность перепрошивки процессора и задания иного алгоритма управления с целью повышения динамических характеристик автомобиля.
- Невысокая скорость перемены передач у коробок с электрическими сервоприводами, которые невозможно исправить без переделки всей конструкции.
- Возможность пробуксовки сцепления и перегрева механизма при движении на низкой скорости в горку или в городской пробке. Опытные водители рекомендуют в таком случае использовать режим Tiptronic.
- Частые рывки при автоматическом переключении передач, сброс газа перед данной операцией или равномерный режим движения, позволит снять остроту проблемы.
У робота есть целый ряд преимуществ перед иными видами трансмиссий и некоторые недостатки. Такой тип механизма рекомендуется водителям со спокойной манерой управления автомобилем.
Для любителей прокатиться с ветерком такая коробка будет слишком задумчивой. Все имеющиеся минусы механизма своими силами устранить невозможно, поэтому к его особенностям следует просто приспособиться.
В целом коробка передач робот заслужила положительные отзывы автовладельцев. Особенно отмечаются большой ресурс работы, высокая надежность и её неприхотливость.
Видео — нюансы работы роботизированной коробки передач:
Виды АКПП
Перманентная гонка технического оснащения автомобилей, заставляет разработчиков придумывать все более изощренные технологии и конструкции, для того, чтобы обогнать конкурентов. Стоит отметить, что это положительно сказывается на развитии ходовой части ТС. Одним из наиболее важных открытий, стало изобретение автоматической коробки передач. Она сразу же начала пользоваться невероятно большим спросом, так как заметно упрощает процесс управления. К тому же она весьма простая в эксплуатации и надежная. Аналитики утверждают, что в скором будущем она полностью вытеснит из рынка МКПП.
На сегодняшний день коробка-автомат используется, как в легковых автомобилях, так и грузовиках, в независимости от типа привода.
Известно, что при управлении автомобилем с МКПП, приходится постоянно держать руку на переключателе передач, что значительно снижает концентрацию на дороге. Коробка-автомат практически лишена подобных недостатков.

Основные преимущества коробки-автомат:
- Повышается эффективность управления;
- Более плавный переход между передачами даже на высокой скорости;
- Двигатель не перегружается;
- Передачи можно переключать как вручную, так и в автоматическом режиме;
Современные АКПП, с точки зрение системы контроля и управления, можно разделить на два типа:
- Трансмиссия с гидравлическим устройством;
- Трансмиссия с электронным устройством, или так называемая роботизированная коробка;
Более понятным это должно стать после ознакомления с приведенным ниже примером:
«Представьте себе ситуацию, что автомобиль двигается по ровной дороге и постепенно приближается к крутому подъему. Если какое-то время просто со стороны наблюдать за этой ситуацией, то можно заметить, что после увеличения нагрузки, машина начинает терять скорость, и, следовательно, интенсивность вращения турбины также снижается. Это приводит к тому, что рабочая жидкость начинает противодействовать движению. В таком случае резко возрастает скорость циркуляции, что способствует увеличению КМ до того показателя, при котором возникнет равновесие в системе».
Такой же принцип работы и в момент начала движения автомобиля. Единственное отличие в том, что в данном случае еще задействуется и акселератор. Благодаря ему увеличивается интенсивность оборотов коленвала и насосного колеса, при том, что турбина остается неподвижной, что позволяет двигателю работать в холостом режиме. Стоит отметить, что КМ резко возрастает, и при достижении определенной отметки, гидротрансформатор начинает выполнять функции звена, которое соединяет воедино ведомый и ведущий элементы. Именно все эти моменты, позволяют во время движения значительно уменьшать уровень потребления горючего, и более эффективно проводить торможение двигателем в случае надобности.
Вот почему: коэффициент изменения крутящего момента с помощью гидротрансформатора обычно не превышает 2-3.5. Этого мало для полноценной работы автоматической коробки.
В отличие от механической, автоматическая коробка переключает скорости с помощью фрикционных муфт и ленточных тормозов. Система автоматически определяет нужную скорость с учетом скорости движения и усилия на педаль акселератора.
Помимо планетарного механизма и гидротрансформатора, АКПП включает в себя также насос, который смазывает коробку. Охлаждением масла занимается радиатор охлаждения.
Volkswagen Tiguan

Причина популярности этой марки – отличный дизайн, солидный и в то же время оригинальный, хорошие ходовые качества, просторный салон, объемный багажник и электронные системы внутри. Многие эксперты считают, что Tiguan – это своего рода вершина эволюции кроссоверов класса В. Двигателей предлагается на выбор две штуки – 1,4 л и 2,0 л объемом в 150 и 180 «лошадей» соответственно. Есть комплектации с полным приводом и даже специальная опция под российскую зиму – т. н. Winter Edition с подогревом сидений, системой контроля дистанции под снег и лед, трехзонным климат-контролем и даже датчиком дождя. Видимо, составители комплектации не понаслышке знакомы с московскими зимами.
Обычный автомат
При выборе транспортного средства с одним из видов автоматической трансмиссии необходимо знать, что такое автомат и робот и из чего состоит каждая из них.
Внимание!
АКПП
впервые была выпущена в свет в 30 года двадцатого столетия. Но массово ее стали производить только в шестидесятые годы того же столетия.
Транспортные средства с автоматом считаются более надежными нежели с CVT или роботом.
Конструкция АКПП

Коробка автомат состоит из гидротрансформатора, планетарной коробки передач, гидроблока.
| Элемент автомата | За что отвечает |
| Гидротрансформатор состоит из турбинного и реакторного колеса, центробежного насоса, обгонной и блокировочной муфты | Отвечает за плавное переключение передач, выполняет функцию сцепления |
| Планетарная коробка состоит из редукторов и фрикционных дисков, тормозной ленты | Передает усилие посредством системы различных вариантов зацепления шестерней, переключает скорости |
Строение АКПП, как видно из таблицы, более простое, чем у робота. Еще одно отличие от роботизированной заключается в большом количестве ступеней передаточного числа. Благодаря им, снижается потребление топлива транспортным средством.
Принцип следующий:
- Гидротрансформатором меняется крутящий момент.
- Смазывающее средство попадает из насоса к турбинному колесу.
- Колесо передает его на реактор.
- Поток масла становится все больше и увеличиваются обороты насосного колеса.
- Задействуется обгонная муфта, благодаря которой происходит вращение реактора.
- Муфта переключает передачи между планетарными редукторами.
А гидроцилиндры, которые обеспечивают работу вышеописанных процессов, управляются электронным блоком.
Как уже было описано, коробку автомат можно отличить от робота по следующим положениям ручки на селекторе:
- P – «Парковка»;
- R – «Задний ход»;
- N – «Нейтральная»;
- D – «Движение вперед»;
- L – «Принудительно понижающая передача».
Как и все устройства, автомат имеет свои положительные стороны и отрицательные черты. К плюсам автоматической коробки передач относятся:
- надежность;
- простое управление;
- отсутствие периодической замены сцепления;
- экономное расходование горючего;
- не скатывается назад, если поставить на склоне.

Автомат имеет и отрицательные черты, которые складываются из следующих парметров:
- высокая стоимость при замене автомата;
- высокая цена капитального ремонта;
- транспортное средство с автоматом нельзя заводить с толкача;
- малый КПД из-за гидротрансформатора. На последний уходит почти половина мощности аппарата;
- срок жизни устройства маленький.
Особенности АКПП
Когда на выбор предлагается вариатор либо же автоматическая коробка передач, объективно, не изучая вопрос детальнее, сказать, что лучше, невозможно. Для этого нужно вникнуть суть каждого типа трансмиссии, изучить его особенности, конструкцию и принцип работы.
Сразу стоит заметить, что сравниваться будет классический автомат и вариатор, фактически являющийся разновидностью автоматической коробки.
Управление автоматом осуществляется с помощью специального селектора или ручки переключения. Обычно она устанавливается в районе центрального тоннеля, но на некоторых авто, преимущественно американских производителей, располагается на рулевой колонке.
Селектор предусматривает возможность для водителя путём перемещения переключателя выбирать один из доступных режимов работы, в числе которых Drive, Parking и R, необходимый для движения задним ходом. По мере усовершенствования автоматических коробок количество режимов значительно увеличивалось. Всё чаще на современных автомобилях, даже при не самых дорогостоящих моделях, автоматы предусматривают наличие специальных режимов движения, необходимых для зимнего передвижения, спортивной езды или максимальной экономии топлива.
Классический автомат конструктивно состоит из планетарной КПП, гидротрансформатора и специальной системы управления. АКПП могут использоваться на легковых авто, в грузовом транспорте, автобусах и даже на колёсной спецтехнике.
В состав гидротрансформатора входит турбинное и насосное колесо, между которыми располагается реактор. Насосное колесо имеет непосредственную связь с коленчатым валом мотора, а турбинное соединяется с валом коробки передач. В зависимости от того, в каком режиме работает реактор, он может блокироваться обгонной муфтой или находиться в состоянии свободного вращения.
Крутящий момент от мотора на КПП передаётся за счёт потока жидкости, в роли которой выступает трансмиссионное масло. Оно подаётся с помощью лопаток насосного колеса на лопасти колеса турбинного типа. Между колёсами гидротрансформатора имеются минимальные зазоры, а сами лопасти выполняются специальной формы, чтобы создавать непрерывный круг для циркуляции рабочей жидкости. Это обеспечивает наличие жёсткой связи между мотором и коробкой передач, необходимой для плавной передачи тягового усилия.
Гидротрансформатор способен преобразовывать скорость вращения и предавать крутящий момент в строго ограниченном диапазоне. Из-за этого к нему подключается планетарная многоступенчатая коробка, которая также позволяет двигаться на машине с АКПП задним ходом.
Передачи переключаются за счёт создания высокого масляного давления. В этом процессе важнейшую роль играют фрикционные муфты. Возникающее между ними давление распределяется системой управления, состоящей из управляющего блока и электромагнитных клапанов.
Условным недостатком АКПП можно назвать то, что она стоит достаточно дорого, а также расходует больше топлива. Но это достаточно спорные минусы, поскольку современные автоматы вышли на новый уровень по эффективности. Многие из них как минимум не уступают классическим МКПП, а порой даже превосходят по показателям экономии топлива.
Изучение особенностей, которыми обладает коробка автомат, не даёт возможности сказать, что лучше, если конкурентом выступает вариатор. Для начала нужно рассмотреть характеристики самой вариаторной коробки передач.
АКПП в разрезе
Мотор и коробка – важные вопросы по технике
Обновленная Гранта с моторами 1.6 имеет один большой общий плюс. Производитель позаботился о тех владельцах, которые не хотят вовремя менять ремни или ставят некачественные комплектующие. В этом случае обрыв ремня ГРМ не приводит к встрече клапанов с поршнями. Моторы очень простые в обслуживании и неприхотливые. 98 сил оказываются вполне достаточным ресурсом мощности на данный автомобиль, даже с учетом небольшого запаса на автомат.
Сам же автомат на Гранте имеет такие особенности:
- узел обладает 4 передачами и разработан японской корпорацией Jatco, которая известна самыми надежными и долговечными автоматическими коробками для всех мировых производителей авто;
- коробка простая и надежная, никаких проблем с ее эксплуатацией не будет на длительный срок, машина вышла очень впечатляющая именно по части надежности и потенциальной долговечности;
- переключается автомат с небольшими толчками, это его заводская особенность, но несколько дней поездки приносят привыкание к этом особенностям, дискомфорта нет и не будет;
- автомат немного отбирает мощность двигателя, но в целом все остается очень даже вменяемо, динамика в городских условиях достаточная для комфортного передвижения по дорогам;
- есть режимы P, R, D и 1, 2 – в последних двух случаях коробка будет работать только на первой или только на первой и второй передачах соответственно, это очень удобно для сложных условий.
Коробка и двигатель стали отличной парой. Разве что за расходом придется следить, обуздывая свое желание нажать на педальку посильнее. В среднем расход в городе получается от 12 литров. А вот на трассе Гранта с автоматом способна укладываться в 7.5 л без особого напряга. В остальном машинка осталась довольно примитивной и дешевой, но связка двигателя и КПП действительно радует. Если компания продолжит такими темпами обновлять свой самый бюджетный автомобиль, он точно станет весьма продаваемым.
Достоинства и недостатки

При рассмотрении особенностей вариаторной КПП необходимо понимать ее слабые и сильные места. К преимуществам CVT можно отнести:
- Плавное изменение скоростного режима. В отличие от гидротрансформаторной коробки-автомат вариатор обеспечивает увеличение и уменьшение скорости без малейших толчков / рывков.
- Повышенный срок службы мотора. При правильной эксплуатации, своевременной замене масла в вариаторе и выполнении других регламентных работ устройство обеспечивает плавную передачу момента на двигатель и тем самым продлевает его ресурс.
- Более экономный расход горючего, благодаря высокому КПД механизма. В среднем коэффициент полезного действия больше на 7-10%, если сравнивать с классической коробкой-автомат.
- Экологическая чистота механизма. В процессе работы вариаторная система выбрасывает в атмосферу меньше опасных компонентов (если сравнивать с другими «коробками»).
- Быстрый разгон. Отсутствие рывков способствует экономии времени в момент набора скорости, что обеспечивает лучшую динамику для автомобиля.
- Легкость управления. Достаточно выбрать нужный режим на ручке, чтобы начать движение.
Несмотря на преимущества, CVT имеет и ряд минусов:
- Трудности обслуживания. Ремонт и замена вариатора — очень дорогостоящая операция, за которую берутся единицы мастеров. Иногда приходится обзвонить не одно СТО, чтобы найти подходящий вариант.
- Высокая стоимость масла. Для заливки в CVT применяются специальные смазывающие составы, имеющие более высокую цену.
- Раз в 100-150 тыс. километров требуется замена ремня, что является дорогим удовольствием.
- Зависимость от электроники. Вариаторная КПП в процессе работы получает сигналы от многих датчиков. Если какой-то из них сбоит, система будет работать неправильно, а это ведет к необходимости ремонта вариатора и дополнительным расходам.
- Сравнительно небольшой ресурс. Вариаторная коробка не любит большие нагрузки, поэтому выходит из строя быстрей МКПП. В частности, для нее может оказаться критичной буксировка в снегу или грязи.
- Повышенный риск поломки из-за неправильной эксплуатации.
Производители постоянно работают над совершенствованием вариатора и устраняют недостатки. Многие слабые места, связанные с низкой надежностью, остались в прошлом. Но ресурс устройства во многом зависит от самого автовладельца и следования ряду правил.
Особенности
Роботизированная трансмиссия, если внимательнее ее изучить, выглядит как механическая КП с автоматизированным переключением передач. Эксперты утверждают, что агрегаты через пару десятков лет будут самыми популярными среди остальных коробок.
Приводы переключения скоростей обладают поршневой системой или имеют электромоторчики. Независимо от устройства, они играют одинаковую роль – выжимают сцепление и перемещают синхронизаторы шестеренок.
Гидравлическая система функционирует быстрее, но ее производство обходится дороже. Именно поэтому такой агрегат устанавливают на авто премиум-сегмента. Электронный блок совмещают с блоком ДВС, либо делают его отдельным. Первый тип более целесообразен.
ZF 5HP
Устанавливалась на автомобили: BMW
5-Series (E34, E39), BMW 7-Series (E32, E38), BMW 8-Series (E31), Range
Rover (L322), Jaguar XK8, Jaguar XJ8, Aston Martin DB7, Bentley Arnage,
Rolls-Royce Silver Seraph, Audi A8 (D2), Audi S8 (D2), Audi A8L (D2),
Audi A6 (C5), Audi S6 (C5), Audi RS6 (C5), Volkswagen Phaeton.
Примерный ресурс: 500 000 км.
ZF
5HP это семейство 5-ступенчатых АКПП разработанных специально для
мощных автомобилей с продольным расположением двигателя. АКПП семейства
ZF 5HP производились с 1991 по 2008 года. В принципе все АКПП семейства
ZF 5HP достаточно надёжны, однако самыми надёжными среди них считаются
ZF 5HP30, ZF 5HP24 и ZF 5HP24A. Последняя устанавливалась только на
полноприводные автомобили Audi и Volkswagen.
Устройство автоматической трансмиссии
Устройство АКПП достаточно сложное и состоит из следующих основных элементов:
- гидротрансформатор;
- планетарный механизм;
- блок управления АКПП (TCU);
- фрикционные муфты;
- обгонная муфта;
- гидроблок;
- ленточный тормоз;
- масляный насос;
- корпус.
Гидротрансформатор представляет собой корпус, заполненный специальной рабочей жидкостью ATF, и предназначен для передачи крутящего момента от двигателя к коробке передач. Фактически он заменяет сцепление. В его состав входят насосное, турбинное и реакторное колеса, блокировочная муфта и муфта свободного хода.
Колеса оснащены лопастями с каналами для прохода рабочей жидкости. Блокировочная муфта необходима для блокировки гидротрансформатора в конкретных режимах работы автомобиля. Муфта свободного хода (обгонная муфта) необходима для вращения реакторного колеса в противоположную сторону. Более подробно про гидротрансформатор можно почитать здесь.
Планетарный механизм АКП включает в себя планетарные ряды, валы, барабаны с фрикционными муфтами, а также обгонную муфту и ленточный тормоз.
Механизм переключения скоростей в АКПП достаточно сложен, и, по сути дела, работа трансмиссии состоит в выполнении некоторого алгоритма включения и выключения муфт и тормозов посредством давления жидкости.
Планетарный ряд, точнее блокировка одного из его элементов (солнечная шестерня, саттелиты, коронная шестерня, водило), обеспечивает передачу вращения и изменение крутящего момента. Элементы, входящие в планетарный ряд, блокируются при помощи обгонной муфты, ленточного тормоза и фрикционных муфт.
Пример гидравлической схемы АКПП
Блок управления АКПП может быть гидравлическим (уже не применяется) и электронным (ЭБУ АКПП). Современная гидромеханическая трансмиссия оснащается только электронным блоком управления. Он обрабатывает сигналы датчиков и формирует управляющие сигналы на исполнительные устройства (клапаны) гидроблока, обеспечивающие работу фрикционных муфт, а также управляющие потоками рабочей жидкости. В зависимости от этого жидкость под давлением направляется в ту или иную муфту, включая определенную передачу. TCU также управляет блокировкой гидротрансформатора. При неисправности блок TCU обеспечивает функционирование КПП в “аварийном режиме”. Селектор АКПП отвечает за переключение режимов работы КПП.
В автоматической коробке применяются следующие датчики:
- датчик частоты вращения на входе;
- датчик частоты вращения на выходе;
- датчик температуры масла АКПП;
- датчик положения рычага селектора;
- датчик давления масла.
Подробнее про датчики АКПП можно почитать тут.
Конструктивные особенности
Первая принципиальная особенность R932 — это отсутствие гидротрансформатора. Как известно, именно он является наиболее слабым местом современных «автоматов». Кроме того, отказ от гидротрансформатора позволил увеличить КПД до 97,8% и значительно уменьшить расход топлива. Такое конструктивное решение соответствует новейшим мировым стандартам. Крутящий момент передается посредством четырех планетарных рядов. Благодаря использованию фрикционных элементов переключение осуществляется быстро и четко.
Диапазон передаточных чисел — от 5,732 до 0,661. Это позволяет не только экономить топливо, но и обеспечить впечатляющую динамику довольно тяжелому автомобилю как в городе, так и на трассе.
Трансмиссия может беспрепятственно работать с двигателями V12 объемом до 6,6 литра. Но не менее успешно R932 работает и с силовыми агрегатами, обладающими более скромными параметрами.
Трансмиссия R932 прошла многочисленные стендовые испытания и отлично проявила себя в различных погодных условиях. Это подтвердилось и при испытании на отечественных автополигонах. Электрогидравлическая система и зубчатая муфта, которые используются в этой трансмиссии, отлично проявили себя. Это позволило использовать трансмиссию в автомобилях президентского кортежа.
Преимущества АКПП от КАТЕ:
- компактные размеры;
- усиленный стояночный тормоз;
- модульная конструкция;
- алюминиевый картер;
- электромагнитные клапаны с прямым регулированием давления в муфтах;
- 4 планетарных ряда;
- 6 фрикционных элементов;
- нет гидротрансформатора;
- элемент управления в виде зубчатой муфты;
- максимальный КПД;
- высокая надежность.
Механические коробки передач МКПП
Механическая коробка передач представлена в виде многоступенчатого цилиндрического редуктора. Классический вариант – 4-х ступенчатая коробка. Современные легковые автомобили разделяются на виды, в зависимости от количества ступеней: они часто оборудуются 5- и даже 6-ступенчатыми коробками передач.
Что означает понятие ступенчатой системы переключения передач? Момент вращения передается от двигателя внутреннего сгорания на ходовую часть автомобиля не напрямую, а через зубчатые зацепления различных пар шестерен. При этом величина момента вращения претерпевает изменения, в соответствии с соотношением числа зубьев на ведущем и ведомом колесах (передаточное отношение). Как правило, ведущее колесо имеет меньший диаметр, чем ведомое, поэтому вращающий момент уменьшается, пропорционально заданному передаточному числу.
Зубчатые зацепления шестерен переднего и заднего хода отличаются по форме. Для передних передач разработаны косозубые шестерни оригинальных очертаний. Такая форма зуба дает возможность передавать мощность постепенно без громких скрежещущих звуков. При включении задней передачи в зацепление входят колеса с прямыми зубьями. КПД зубьев прямой конфигурации заметно увеличен. При этом передается больший момент вращения, но одновременно появляются такие негативные явления, как шумовые эффекты.
Виды трансмиссий. Конструктивно, механические КПП разделяются на:
- 2-вальные.
- 3-вальные
Двух-вальные виды КПП предназначены для машин, оснащенных ведущим передним приводом. Трех-вальные устанавливаются на автомобилях повышенной мощности (спецтехника, грузовики, тягачи, вездеходы).
Среди представленных видов коробок различают еще такие КПП автомобилей, как секвентальные, где переход на следующую передачу производится в строгой последовательности.
В механической коробке передач скорости переключаются ручным способом при помощи специального рычага в салоне автомобиля.





































