Датчик температуры ОЖ
Демонтаж регулятора вентилятора на ВАЗ 2110На ВАЗ 2110 датчики могут использоваться для разных целей, но большинство из них монтируется в моторном отсеке. На 8- или 16-клапанном двигателе датчик вентилятора представляет собой устройство, предназначенное для активации вентилятора. Речь идет непосредственно о вентиляторе, предназначенном для охлаждения горячего двигателя.
Контроллер включается автоматически при достижении силовым агрегатом определенной температуры. Но также он может включаться и при выключенном двигателе. Многих владельцев «десяток» поначалу этот факт может настораживать, однако в этом нет ничего страшного, так что переживать не стоит.
Необходимо выделить достоинства данного контроллера:
Как показала практика, датчик вентилятора является одним из самых надежных устройств транспортного средства, так как в основе его конструкции лежит твердый наполнитель. Когда температура окружающей среды увеличивается, этот наполнитель начинает расширяться.
В конструкции этого устройства также лежит специальный подпружиненный рычаг
Благодаря этому компоненту при работе регулятора не возникают дефекты.
Устройство не позволяет появляться искрам, что особенно важно для обеспечения безопасности автомобиля.
По факту регулятор этого типа сам по себе является надежным. Если вы покупаете качественное устройство, то в будущем заметите, что оно будет функционировать достаточно долго, о необходимости его замены можно будет забыть на ближайшие несколько лет.
Особенности системы охлаждения двигателя ВАЗ-21124 автомобиля ВАЗ-2110
Система охлаждения двигателя ВАЗ-21124 отличается от системы охлаждения двигателя ВАЗ-2111 и ВАЗ2112 измененной схемой подсоединения шлангов радиатора отопителя, установкой термостата нового образца и расширительным бачком увеличенного размера. Датчик указателя уровня охлаждающей жидкости в расширительном бачке не ставится.
Система охлаждения двигателя ВАЗ-21124 — жидкостная, закрытого типа, с принудительной циркуляцией. Состоит из рубашки охлаждения двигателя, радиатора с электровентилятором, термостата, насоса, расширительного бачка и соединительных шлангов. Насос обеспечивает циркуляцию охлаждающей жидкости через рубашку охлаждения блока и головки блока цилиндров, после чего жидкость проходит через термостат в радиатор, где отдает тепло охлаждающему воздуху. Движение жидкости через рубашку охлаждения и радиатор образует большой круг циркуляции, а движение жидкости по рубашке охлаждения двигателя, минуя радиатор, — малый круг циркуляции. В систему охлаждения также включен радиатор отопителя и блок подогрева дроссельного узла. Жидкость через них циркулирует постоянно и не зависит от положения клапанов термостата.
Герметичность системы обеспечивается впускным и выпускным клапаном, расположенным в крышке расширительного бачка. Выпускной клапан поддерживает повышенное давление в системе на горячем двигателе, за счет этого температура кипения жидкости становится выше, уменьшаются паровые потери. Он начинает открываться при давлении не менее 1,1 бар. Впускной клапан открывается при понижении давления в системе относительно атмосферного на 0,03-0,13 бар (на остывающем двигателе).
Тепловой режим работы двигателя поддерживается термостатом и электровентилятором радиатора. Электровентилятор включается через реле по сигналу контроллера.
Для контроля температуры охлаждающей жидкости в головку блока цилиндров двигателя ввернут датчик, связанный с указателем температуры в комбинации приборов. В выпускном патрубке, рядом с корпусом термостата, установлен датчик температуры охлаждающей жидкости, выдающий информацию для контроллера.
Насос охлаждающей жидкости — лопастной, центробежного типа, приводится от шкива коленчатого вала ремнем ГРМ. Корпус насоса алюминиевый. Валик вращается в двухрядном подшипнике. Пластичная смазка в подшипнике заложена на весь срок службы.
Наружное кольцо подшипника стопорится винтом. На передний конец валика напрессован зубчатый шкив, на задний — крыльчатка. К торцу крыльчатки прижато упорное кольцо из графитсодержащей композиции, за которым находится сальник. В корпусе насоса имеется контрольное отверстие для определения течи жидкости при выходе насоса из строя. Насос рекомендуется заменять в сборе.
Перераспределением потоков жидкости управляет термостат.
Термостат имеет твердый термочувствительный элемент и два клапана, которые перераспределяют потоки охлаждающей жидкости. На холодном двигателе основной клапан термостата перекрывает поток жидкости от радиатора, и жидкость циркулирует только по малому кругу, минуя радиатор. При температуре (85±2) °С клапаны термостата начинают перемещаться, пропуская поток жидкости в радиатор и перекрывая байпасный канал. При температуре около (100±2) °С основной клапан полностью открывается, а байпасный закрывается. Почти вся жидкость циркулирует по большому кругу через радиатор двигателя.
Замену термостата можно посмотреть в статье — «Снятие и проверка термостата».
Охлаждающая жидкость заливается в систему через расширительный бачок. Он изготовлен из полупрозрачного полиэтилена, что позволяет визуально контролировать уровень жидкости. Для этого на стенке бачка нанесены метки «MAX» и «MIN». В верхней части бачка имеется патрубок для соединения с пароотводящим шлангом радиатора, в нижней части — патрубок для соединения с наливным шлангом.
Радиатор состоит из двух вертикальных пластмассовых бачков (левый — с перегородкой) и двух горизонтальных рядов круглых алюминиевых трубок, проходящих сквозь охлаждающие пластины. Трубки соединены с бачками через резиновую прокладку. Жидкость подается через верхний патрубок, а отводится через нижний. Рядом с впускным патрубком расположен тонкий патрубок пароотводящего шланга. На радиаторе установлен кожух с электровентилятором. В нижней части правого бачка находится сливная пробка.
Не рекомендуется использование воды в системе охлаждения: горячая вода вызывает интенсивную коррозию алюминиевых деталей.
Схема управления двигателем ВАЗ-21124

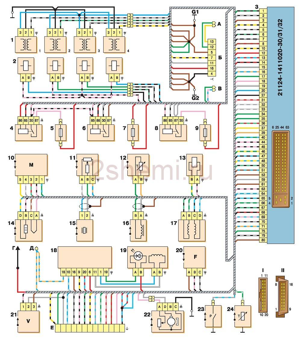
Схема соединений системы управления двигателем ВАЗ-21124 с распределенным впрыском топлива под нормы токсичности Евро-2 (контроллер M7.9.7): 1 — катушки зажигания; 2 — форсунки; 3 — контроллер; 4 — главное реле; 5 — предохранитель, соединенный с главным реле; 6 — реле электровентилятора системы охлаждения; 7 — предохранитель, соединенный с реле электровентилятора системы охлаждения; 8 — реле электрического топливного насоса; 9 — предохранитель, соединенный с реле электрического топливного насоса; 10 — датчик массового расхода и температуры воздуха; 11 — датчик положения дроссельной заслонки; 12 — датчик температуры охлаждающей жидкости; 13 — электромагнитный клапан продувки адсорбера; 14 — датчик кислорода; 15 — датчик детонации; 16 — датчик положения коленчатого вала; 17 — регулятор холостого хода; 18 — блок управления иммобилайзера; 19 — индикатор состояния иммобилайзера; 20 — датчик фаз; 21 — датчик скорости автомобиля; 22 — модуль электрического топливного насоса с датчиком уровня топлива; 23 — датчик контрольной лампы давления масла; 24 — датчик указателя температуры охлаждающей жидкости; А — колодка, присоединяемая к жгуту проводов салонной группы АБС; Б — колодка диагностики; В — колодка, присоединямая к жгуту проводов кондиционера; Г — к выводу «+» аккумуляторной батареи; Д — к колодке жгута проводов боковых дверей; Е — колодка, присоединяемая к жгуту проводов панели приборов; G1, G2 — точки заземления; I — порядок условной нумерации штекеров в колодке блока управления иммобилайзера; II — порядок условной нумерации контактов в колодке диагностики.

Схема соединений системы управления двигателем ВАЗ-21124 с распределенным впрыском топлива под нормы токсичности Евро-3 (контроллер M7.9.7): 1 — катушки зажигания; 2 — форсунки; 3 — контроллер; 4 — главное реле; 5 — предохранитель, соединенный с главным реле; 6 — реле электровентилятора системы охлаждения; 7 — предохранитель, соединенный с реле электровентилятора системы охлаждения; 8 — реле электрического топливного насоса; 9 — предохранитель, соединенный с реле электрического топливного насоса; 10 — датчик массового расхода и температуры воздуха; 11 — датчик неровной дороги; 12 — датчик положения дроссельной заслонки; 13 — датчик температуры охлаждающей жидкости; 14 — регулятор холостого хода; 15 — управляющий датчик кислорода; 16 — диагностический датчик кислорода; 17 — электромагнитный клапан продувки адсорбера; 18 — датчик детонации; 19 — датчик положения коленчатого вала; 20 — блок управления иммобилайзера; 21 — индикатор состояния иммобилайзера; 22 — датчик фаз; 23 — датчик скорости автомобиля; 24 — модуль электрического топливного насоса с датчиком уровня топлива; 25 — датчик контрольной лампы давления масла; 26 — датчик указателя температуры охлаждающей жидкости; А — колодка, присоединяемая к жгуту проводов салонной группы АБС; Б — колодка диагностики; В — колодка, присоединяемая к жгуту проводов кондиционера; Г — к выводу «+» аккумуляторной батареи; Д — к колодке жгута проводов боковых дверей; Е — колодка, присоединяемая к жгуту проводов панели приборов; G1, G2 — точки заземления; I — порядок условной нумерации штекеров в колодке блока управления иммобилайзера; II — порядок условной нумерации контактов в колодке диагностики.
Датчики ВАЗ-2112 16 клапанов и их расположение: схема, фото, видео
Эффективная работа инжекторного двигателя обеспечивается набором датчиков. Все они подключаются к блоку ЭБУ. Хэтчбеки «Лада» семейства «2112» выпускались только с инжекторными двигателями, и две разновидности этих ДВС являются 16-клапанными. О них речь пойдёт дальше. Все датчики ВАЗ-2112, их расположение и внешность будут показаны на фото.
Датчик избыточного давления масла, не подключаемый к ЭБУ, у нас показан на видео.
Разбираемся с датчиком кислорода
Определять артикулы датчиков нужно не по модели двигателя и даже не по нормам Евро, а только по блоку ЭБУ.
Число датчиков кислорода может равняться двум или одному – всё зависит от норм экологии. Также АвтоВАЗ использовал две разновидности датчиков – 0 258 005 133, 0 258 006 537 (артикулы BOSCH). Первые из них совместимы с контроллерами BOSCH M1.5.4, MP7.0 и Январь 5.1. Более новые датчики подключались к ЭБУ BOSCH M7.9.7 (Январь 7.2). Датчики двух разных типов отличаются даже внешне.
Блок ЭБУ в «Десятках ВАЗ» находится под пластиковой крышкой. Она расположена возле ступни переднего пассажира.
Красной стрелкой у нас отмечен первый, то есть основной датчик. Верхнее фото соответствует двигателю 21124 (1,6 л).
Моторы ВАЗ-21120 (1,5 л) могли отвечать стандарту Евро-3, и тогда за основным датчиком приваривался «удлинённый» катализатор. Второй датчик находился за ним, то есть за «банкой». Уточним:
- Стандарту Евро-2 соответствует конструкция с одним датчиком (основным);
- При переходе к нормам Евро-3 добавился второй датчик (синяя стрелка).
Кстати сказать, 24-й мотор может отвечать нормам Евро-4.
Основной набор датчиков 16-ти клапанных двигателей ВАЗ-2112
Блок ЭБУ должен контролировать множество параметров сразу
Самой важной информацией будет положение коленвала. Можно отключить все датчики, кроме ДПКВ, и это не приведёт к прекращению работы двигателя
Перечислим все элементы по одному:
Рассмотрим, как все элементы выглядят вживую. Показаны снимки датчиков ВАЗ-2112 (16-клапанный ДВС).
Всё, что сказано выше, справедливо для двух двигателей сразу – для агрегатов 21124 и 21120 (1,6 и 1,5 л).
Нельзя откручивать датчик ДТОЖ, не сливая охлаждающую жидкость. А отключить датчик – значит отключить разъём, но не демонтировать сам датчик.
Где какой датчик находится — подкапотная схема
Посмотрим на ещё одну картинку.
Важно понять, где находятся следующие элементы:
- ДПКВ;
- Лямбда-зонд;
- Датчик скорости;
- РХХ;
- ДПДЗ;
- ДМРВ;
- ДТОЖ.
Местоположение датчика фаз указано в предыдущей главе.
Никогда не откручивайте датчик скорости. Будет сложно установить его так, чтобы сохранить герметичность.
Артикулы
Для датчиков кислорода сначала использовалось обозначение 21120-3850010. Затем появился артикул с цифрами 1118 (см. фото). Похоже, он относится к датчику нового типа. Проще будет использовать артикулы BOSCH.
Перечислим артикулы остальных датчиков:
- ДМРВ (21124 или 21120): 21083-1130010-01, -10, -20;
- ДМРВ (мотор 21120 c ЭБУ Январь 4.1): 2112-1130010, -01;
- ДПДЗ: 2112-1148200;
- РХХ: 2112-1148300-02;
- ДПКВ: 2112-3847010, -01, -03, -04;
- ДТОЖ: 2112-3851010, -01, -02, -05;
- Датчик скорости: 2110-3843010-13, -18;
- ДПРВ: 2112-3706040, -02, -03;
- ДД: 2112-3855020, -01, -02, -03;
- Датчик давления масла: 2106-3829010, -01, -02;
- Датчик уровня тосола: 2110-3839310-10, -11, -12, -13, -14;
- Датчик указателя температуры охлаждающей жидкости: 2101-3808600, -02, 2106-3828010.
Три последних датчика к блоку ЭБУ не подключаются. Зато может быть подключён датчик неровной дороги (2123-1413130). На работу двигателя он влияет, хотя и закреплён на кузове.
В составе двигателей с ЭБУ Январь 4.1 датчиков кислорода нет.
Вообще на хэтчбеках ВАЗ-2112 датчики могут использоваться другие – не те, что указаны в списке. Но тогда речь идёт о 8-клапаннике. А всё, что мы указали, относится к 16-ти клапанам, вот схема этого двигателя.
carfrance.ru
Когда требуется осуществить замену?
Проверить своими руками и заменить температурный датчик на автомобиле ВАЗ 2112 с инжекторным 16 клапанным двигателем не составит большого труда. Ремонт данной детали не целесообразен. При возникновении проблем необходимо приобрести новую деталь. Неисправность температурного датчика может стать причиной серьезных проблем.
В первую очередь – перегрева мотора. При отправке неправильным данных в ЭБУ вентилятор охлаждения не будет включаться вовремя. Как следствие:
- выкипит антифриз;
- может лопнуть радиатор либо другие узлы, компоненты системы охлаждения;
- перегреется двигатель.
Потому желательно при первых же признаках неисправности температурного датчика заменить его. Основные симптомы поломки:
- не включается радиатор – он запускается только по «команде» температурного датчика;
- проблемы при запуске мотора – особенно остро это ощущается при первых холодах;
- при непрогретом двигателе – плохой выхлоп;
- появление пара из двигателя – это говорит о перегреве агрегата;
- существенно увеличилось потребление топлива при температуре наружного воздуха выше нуля.
Цена температурного датчика составляет не более нескольких сотен рублей. Потому желательно заранее приобрести запасной. Это позволит избежать проблем, связанных с поиском детали. Если возникает подозрение, что датчик не работает – стоит сразу заменить его. Деталь не является ремонтопригодной.Ц
Основной набор датчиков 16-ти клапанных двигателей ВАЗ-2112
Блок ЭБУ должен контролировать множество параметров сразу
Самой важной информацией будет положение коленвала. Можно отключить все датчики, кроме ДПКВ, и это не приведёт к прекращению работы двигателя

Датчики, подключаемые к ЭБУ
Перечислим все элементы по одному:
- 15 – ДТОЖ. Резистор, вкручиваемый в корпус термостата. Определяется температура тосола;
- 17 – ДПРВ, он же ДФ (датчик фаз). Принцип работы – эффект Холла. Контролируется положение распредвала. О его проверке здесь.;
- 20 – ДПДЗ. Резистор, закреплённый на дроссельном узле 19. Измеряется угол отклонения дроссельной заслонки;
- 21 – ДМРВ. Датчик, соединённый с корпусом фильтра. Контролирует расход воздуха, основные признаки его неисправности рассмотрены здесь;
- 22 – РХХ. Не датчик, а регулятор (электромагнит). Используется в режиме холостого хода. О его проверке и даигностике здесь. О замене РХХ здесь.;
- 24 – лямбда-зонд или датчик кислорода (см. выше);
- 25 – датчик скорости. Закреплён в прорези КПП. Принцип работы – эффект Холла;
- 26 – ДПКВ. Электромагнитный датчик. Контролируется положение коленвала;
- 27 – ДД (датчик детонации). Пьезоэлемент, закреплённый на внешней стенке блока цилиндров.
Рассмотрим, как все элементы выглядят вживую. Показаны снимки датчиков ВАЗ-2112 (16-клапанный ДВС).

Каждый элемент легко будет найти под капотом
Всё, что сказано выше, справедливо для двух двигателей сразу – для агрегатов 21124 и 21120 (1,6 и 1,5 л).
Где какой датчик находится — подкапотная схема
Посмотрим на ещё одну картинку.

Подкапотное пространство и мотор 21124
Важно понять, где находятся следующие элементы:
- ДПКВ;
- Лямбда-зонд;
- Датчик скорости;
- РХХ;
- ДПДЗ;
- ДМРВ;
- ДТОЖ.
Местоположение датчика фаз указано в предыдущей главе.
Расположение датчиков на ВАЗ 2110 инжектор (8 клапанов)
На инжекторном 8 клапанном автомобиле ВАЗ 2110 датчики присутствуют самые разнообразные. У каждого из них своя важная функция, прекращение выполнение которой может привести к определенным последствиям.
ДМРВ на ВАЗ 2110
На наличие большого количества электроники предусматривает обильное число датчиков. О некоторых из них мы сегодня с вами поговорим:
- Датчик регулятора воздуха;
- Датчик включения вентилятора;
- Датчик коленчатого вала;
- Датчик температуры жидкости охлаждения;
- Датчик скорости;
- Датчик фаз.
Теперь рассмотрим их более подробно.
Регулятор воздуха
Определив количество воздуха, система определяет нужный объем бензина. Датчик воздуха несет ответственность за объемы всасывания. К недостаткам этого устройства относят:
- Из-за воздействия влаги нарушается работоспособность;
- При малых оборотах датчик выдает повышенные показатели;
- Устройство не может нормально работать при холостом ходу;
- Могут возникать проблемы при пуске мотора;
- После повышенного режима мощности двигатель может резко остановиться;
- Увеличивается расход топлива.
Как же работает этот датчик? Попробуем разобраться.
- Конструкция регулятора включает в себя три чувствительных компонента, которые установлены в потоке воздуха. Один из элементов определяет температуру всасываемого воздуха, а остальные два — греются до необходимых показателей.
- Определение расхода воздуха происходит за счет измерения мощности электричества для поддержания необходимой температуры.
- На регуляторе имеется сеточка, монтируемая в потоке воздуха.
- Все это позволяет передать информацию на контроллеры, которые, в свою очередь, включают те или иные режимы для изменения или поддержания нагрузок.
Датчик вентилятора
Данное устройство предназначено для активации вентилятора, охлаждающего силовой агрегат. У этого датчика на ВАЗ 2110 имеются сильные стороны:
- Он очень надежный, поскольку включает в свою конструкцию твердый наполнитель. При повышенных температурах он расширяется;
- Также конструкция предусматривает наличие подпружиненного рычага, который не позволяет возникать дефектам;
- Датчик не позволяет возникать искрам;
- Приобретая качественный регулятор, можно забыть о его замене на долгие годы.
Регулятор коленвала
Как вы понимаете, расположение всех датчиков на 8 клапанном инжекторном ВАЗ 2110 разное, но все они объединяются в единую систему. Датчик коленвала не является исключением.
За счет работы этого устройства система определяет, когда подавать топливо и искру для воспламенения смеси. По сути, конструкция агрегата представлена в виде магнита и катушки из тонкой проводки.
К его сильным сторонам относят:
- Работает долго и эффективно даже в режиме повышенных нагрузок;
- Функционирует совместно с шкивом коленчатого вала;
- При поломке датчика двигатель прекращает работу, либо ограничивает показатели оборотов на отметке не более 3500 оборотов.
Располагается устройства на масляном насосе, буквально на самой вершине зубцов шкива. Если быть точнее, то 1 миллиметре от них.
Указатель температуры ОЖ
ОЖ, как вы уже знаете, это охлаждающая жидкость. Для нее также предусмотрен свой специальный датчик. По своим функциям он напоминает подсос, который устанавливается на карбюраторных версиях ВАЗ 2110 и не только.
Устройство считывающе температуру ОЖ
То есть, этот датчик отвечает за регулировку горючего. Чем холоднее будет мотор, тем больше топлива он получит. Для данного указателя характерны определенные поломки:
- Внутри регулятора может нарушиться электрический контакт;
- Возле троса акселератора расположены провода, которые не редко теряют изоляцию;
- Датчик выходит из строя, если вентилятор начинает работать при холодном силовом агрегате;
- Возникают определенные сложности при запуске сильно нагретого двигателя;
- При поломке датчика возникает повышенный расход топлива.
Указатель температуры ОЖ
Для охлаждения двигателя используется антифриз или охлаждающая жидкость. Чтобы обеспечить правильную работу силового агрегата, для охлаждающей жидкости также предусматривается свой контроллер. По своему функционалу данный регулятор отдаленно напоминает подсос, которым оборудуются 8- и 16-клапанные карбюраторные моторы «десяток» и других транспортных средств. Сам по себе датчик предназначен для мониторинга температуры расходного материала.
Установка нового датчика антифризаПо сути, это устройство также обеспечивает регулировку горючего. Если силовой агрегат работает на холодную и еще не прогрелся, он будет получать больше бензина для нормального функционирования. Показания о температуре охлаждающей жидкости выводятся на контрольный щиток в салоне машины. В соответствии с этими показателями водитель всегда сможет узнать о перегреве агрегата по тому, как стрелка датчика на приборной панели начнет перемещаться в красную зону.
Датчик температуры антифриза периодически выходит из строя, для него характерны следующие неисправности:
- Нарушение электрического контакта внутри контроллера, что приводит к его неработоспособности.
- Устройство установлено таким образом, что оно может подвергаться воздействию движущихся элементов, в частности, троса педали акселератора. Правильнее даже сказать, что трос воздействует не на сам датчик, а на его провода, которые по факту могут терять изоляцию в результате долгой эксплуатации.
- Зачастую регулятор ломается, если вентилирующее устройство начинает функционировать на не прогретом двигателе.
- Если мотор перегрелся, то могут возникнуть трудности при его запуске.
- Если контроллер температуры расходного материала выходит из строя, это может привести к увеличению расхода бензина. Если вы столкнулись с одной из таких проблем, то для обеспечения нормальной работы двигателя автомобиля необходимо произвести замену контроллера. Подробная инструкция по замене представлена на видео ниже (автор — РЕМОНТ ВАЗ 2110, 2111, 2112).
Диагностика датчика
Все автовладельцы должны знать, как проверить датчик температуры на ВАЗ-2110. С помощью проверки можно сэкономить на стоимости нового устройства, хотя цена его не совсем высока.
Протестировать элемент можно путем нагревания. Нужна подходящая емкость. Это может быть стакан или же чайник. В него наливают горячую воду. Вода должна быть нагрета примерно до 100 градусов – контролировать нагрев следует термометром. Далее рабочую часть устройства опускают в воду. Однако, опускать нужно именно ту часть температурного датчика, которая находится в моторе. Контакты не должны находиться в воде. Затем к контактам подсоединяют мультиметр и измеряют сопротивление.
Исправный датчик при температуре жидкости в 100 градусов имеет сопротивление в 177 Ом. При +50 градусах сопротивление составляет 973 Ом. Если значения не соответствуют норме, то неисправный элемент стоит заменить. Если же показатели в пределах этих норм, то все в полном порядке.
Методы диагностики ЭБУ и ошибок на ВАЗ 2112 через OBD разъём
Рассмотрим основные способы анализа бортовых систем на 2112:
С помощью приборной панели:
ЭБУ самостоятельно проводит опрос элементов электрической цепи. Результат выводится на табло приборной панели. Для активации необходимо удерживать кнопку сброса пробега и одновременно перевести ключ зажигания в положение «ON». Стрелки табло начнут двигаться. На дисплее появятся коды ошибок узлов.
Важно: панель приборов должна иметь маркировку «VDO»
Второй способ – замыкание пинов на диагностической колодке:
Это контакты «А» и «В». После подать бортовое питание (ключ зажигания в положении 1), дождаться включения табло «Check». При наличии ошибок лампочка циклически мигает. Сумма вспышек равна табличному номеру кода. Значения отделяются задержками.

Автосканеры или адаптеры:
Модели ЭСУД у ВАЗ 21ХХ раннего поколения используют К-порт связи для общения с внешним оборудованием. Для них подойдет стандартный K-Line VAG адаптер. Пакеты данных пересылаются на диагностическую программу. Адаптер подсоединяется к сервисной колодке, после чего происходит считывание.
Датчик положения дроссельной заслонки (ДПДЗ). Замена ДПДЗ
Момент затяжки гбц ваз-2112 16 клапанов: схема, усилие
Благодаря тому, что в нашем веке автомобили оснащены инжекторными двигателями и имеют, так сказать, мозги. Они оснащены множеством различных датчиков, которые отвечают за большинство процессов. Это конечно очень хорошо и удобно, НО… При выходе из строя хотя бы одного, нарушается работа всего автомобиля, а именно это отражается на: расходе, мощности, динамике и т.п. В этом разделе мы рассмотрим, что же такое датчик положения дроссельной заслонки (ДПДЗ), как он выглядит, за что отвечает и как его поменять (в этом нет ничего сложного).
Вид датчика и его функции. Итак, данный датчик представлен на фото:
Для чего нужен ДПДЗ? Тут все просто, нужен он для того, чтобы управлять форсунками (подавать больше или меньше топлива), в зависимости от того на сколько открыта дроссельная заслонка.
Как и все части автомобиля, данный датчик имеет срок службы и имеет свойство выходить из строя. Конечно же, можно обратиться к в автомастерскую, и отдать лишних денег. А вообще замена ДПДЗ не сложное занятие и все сделать самому, при наличии всех инструментов вы потратите максимум 5 минут.
Этот датчик можно отнести к переменным резисторам – он имеет три контакта: 1) Питание (5 В) 2) Масса 3) Контроллер
Утапливая педаль газа, ДПДЗ смотрит на выходное напряжение и определяется с качеством смеси, учитывая при этом положение ДЗ (угол).
При выходе из строя этого датчика, его обязанности берет на себя датчик массового расхода воздуха.
Неисправности ДПДЗ. 1) Первым делом, что вы можете ощутить при поломке ДПДЗ – это плавание оборотов. Причем бывают такие ситуации, когда двигатель работает стабильно, а потом ни с того ни с сего начинает газовать (даже при прогреве авто). 2) Следующая неприятность – дергание автомобиля при старте или же при низких оборотах двигателя. Причем, на 1500 оборотах уже нужно переходить на пониженную передачу, иначе, такое впечатление, что авто сейчас заглохнет. 3) Динамика оставляет желать лучшего (ну тут не надо ничего описывать, я думаю, вы сами по своему автомобилю почувствуете). 4) Когда двигаетесь на скорости и выключаете передачу, двигатель может глохнуть (не очень частое явление, но пару раз на 100 км случается, а то и чаще). 5) Загорается чек 6) Увеличивается расход (если при нормальном функционировании автомобиля средний расход на ВАЗ 2110 7-7,5 л, то при неработающем датчике доходит до 10 л).
Думаю, с гадостями разобрались. Теперь перейдем к диагностике датчика, ведь вышеперечисленные вещи могут случаться и по другим поводам. Первым делом померяйте напряжение на выходе ползунка (зажигание при этом должно быть включено). Для этого вольтметр подкидываем к контакту ползунка и к минусу. На неисправность датчика будет указывать напряжение больше 0,7 вольт. Все это мы проделываем на холостых оборотах. Для убедительности можете открыть заслонку полностью («газонуть»), на выходе напряжение должно быть меньше 4 вольт. Плюс к этому можно проверить сопротивление. Воспользуемся омметром, подкидываем к выходу и к питанию. Если медленно менять угол поворота дроссельной заслонки, также плавно должно меняться и сопротивление. Если вами выявлен один из пунктов неисправностей, то нужна замена ДПДЗ. Стоит он не дорого: 150-400 рублей, в зависимости от фирмы и качества, я бы экономить не советовал.
Замена датчика. Думаю замена ДПДЗ под силу даже новичкам-автолюбителям, ведь все что требуется – открутить 2 болта. Тут может понадобится отвертка с короткой ручкой, с длинной будет не удобно – не подлезешь.
Откручиваем болты, снимаем датчик, обратите внимание, там стоит прокладка. При замене датчика ее тоже лучше заменить. Одеваем прокладку
Ставим новый датчик на место (тут ничего не перепутаешь). Затягиваем болты до конца, только сильно не геройствуем, так как датчик наш пластмассовый и может лопнуть
Одеваем прокладку. Ставим новый датчик на место (тут ничего не перепутаешь). Затягиваем болты до конца, только сильно не геройствуем, так как датчик наш пластмассовый и может лопнуть.
Защелкиваем колодку жгута проводов. Все, ремонт окончен, ничего дополнительно настраивать не нужно. Единственное НО. Если при поломке у вас загорелся чек, то во время замены ДПДЗ нужно сбросить ошибку, иначе датчик может продолжать неправильно работать (так как данная ошибка сохранена в мозгах). Однако не спешите мчаться на компьютерную диагностику. Все гораздо проще. Вы можете сбросить ошибку чек сами.
(голосов: 3, в среднем: 5,00 из 5)
Заводские габариты
Но главные габариты таковы:
- если взять конечные точки переднего и заднего бамперов, то здесь имеем 4265 мм;
- длина между центрами передних и задних колес, т.н. колесная база, составляет 2492 мм;
- от центра переднего колеса до крайней точки переднего бампера – 829 мм;
- от центра заднего колеса до конечной точки заднего бампера – 944 мм.
Высота ВАЗ 2110 – 1420 мм.
Заводские габариты по длине и ширине
- спереди по крайним точкам «заводских» зеркал – 1875;
- спереди без учета зеркал (чисто «железо») – 1680 мм;
- расстояние между центрами передних колес – 1400 мм;
- задняя часть автомобиля имеет ширину между центрами колес 1370 мм.
Признаки неисправности датчика скорости Ваз 2112
Датчик скорости ВАЗ 2112 отвечает за правильную подачу бензина. Также он позволяет выставить угол опережения зажигания, помимо этого, устройство осуществляется контроль качества топливовоздушной смеси.
Регулятор производит сбор всей необходимой информации для инжектора — количество оборотов мотора, скорость езды, данные о детонации и т.п. — после чего передает импульсы на ЭБУ. Блок управления после передачи осуществляется проверку всей полученной информации, в результате чего вносит правки в функционирование инжектора.

На фото отчетливо видно как выглядит датчик скорости на автомобиле Ваз 2112
В том случае, если одометр перестает нормально работать, при этом спидометр выдает неправильную информацию касательно пройденного километража и скорости, это свидетельствует о неисправности. Это может быть проблема как датчика скорости ВАЗ 2112, так и привода устройства. Не исключается такой вариант, что проблемы связаны с электропроводкой. Также на практике часто случаются неполадки, вызванные распиновкой датчика скорости, которая может быть перепутана либо неработоспособностью самого разъема. В последнем случае проблема может быть обусловлена плохими контактами.
Помимо всего прочего, признаком неисправности регулятора может служить то, что машина глохнет на холостых оборотах. Разумеется, причин, по которым авто глохнет, может быть множество
В том случае, если спидометр, расположенный на панели приборов, будет выдавать некорректные данные, на щитке должен гореть индикатор Чек Энджин
Если ДС выйдет из строя, вы сразу обратите внимание на горящий чек на приборной панели

























































