Штатная противоугонная система «Шнивы»
Подробное описание и демонстрация функций противоугонной системы с автоматическим запуском мотора на Ниве приведены на видео ниже (автор ролика — канал MagicSystemsOfficial).

Нажатие кнопки на пульте приводит к открытию или закрытию всех дверей автомобиля, включая дверь багажника. Таким же образом срабатывает ЦЗ при повороте ключа в водительской двери на пол-оборота вправо или влево.
За работу электрической сети отвечает стандартное реле типа 90.3747, предохранитель на 20 А, концевые выключатели в каждой двери, моторедукторы на механизмах замка.
Особенностью ЦЗ Нивы Шевроле является возможность ручного открытия и закрытия дверей, даже при снятом аккумуляторе.
Следующий шаг — проверка противоугонной системы в действии. Для этого нужно поставить машину на охрану со штатного машинного устройства. Затем поставить защитный режим с помощью сигнализационного брелока.
Проверка сигнализации — обязательный этап монтажа системы. Без проверки вы не можете быть уверены в полноценной защите своего автомобиля.

Такая неисправность «не смертельная» для автомобиля, но весьма неприятная. К сожалению, такая проблема случается на этой модели. Проблема может быть как серьёзной, так и не очень, которую легко можно устранить самостоятельно. Вот об этом и поговорим в этой статье. Неисправности могут быть в механической части, а также в электрооборудовании этой системы.
Chevrolet Niva — компактный кроссовер российской сборки. Выпускался в 2002, 2003, 2004, 2005, 2006, 2007, 2008 году. В 2009 году автомобиль получил рестайлинг. Обновленный производился в 2010, 2011, 2012, 2013, 2014, 2015, 2016, 2017 и 2018 годах. Мы рассмотрим блок с предохранителями шевроле нива и реле с полным описанием представленных схем. Покажем где находится предохранитель прикуривателя.
На автомобилях комплектаций 55 и 34 устанавливается система дистанционного управления электропакетом «Норма» (СДУЭП)
— дистанционной блокировки / разблокировки замков дверей с одновременным включением / выключением режима охраны автомобиля;
— блокировки замков всех дверей поворотом ключа в замке двери водителя;
— блокировки / разблокировки замков всех дверей кнопкой на двери водителя;
— включения тревожной сигнализации при нарушениях зон охраны автомобиля;
— выключения тревожной сигнализации дистанционно или после включения зажигания своим ключом.

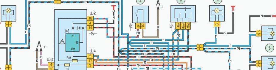
СДУЭП «Норма» состоит из блока управления электропакетом 1, рис. 1,
и пульта дистанционного управления (ПДУ), рис. 2.
Схема соединений СДУЭП «Норма» показана на рис. 3.
| Номерштекера | Адрес (назначение штекера) |
| 12345678910111213141516171819202122232425 | ——Контроллер ЭСУД, контакт «71», (W-линия)Датчик замка двери водителяЭлемент обогрева заднего стеклаКорпус—Комбинация приборов, сигнализатор иммобилизатораВыключатель капотаДатчики задних дверей пассажировДатчик передней двери пассажира——Замки всех дверей, двигатели блокировки (питание)Блок управления АПС-6, контакт «14»Указатели поворотов левого бортаЗамки дверей пассажиров, двигатели блокировки (сигнал управления)Замок двери водителя, двигатель блокировки (сигнал управления)—Выключатель зажигания, клемма «15»Контакт «86» реле включения звукового сигнала (обмотка)Датчик двери водителяАккумуляторная батарея, клемма « »Указатели поворотов правого бортаДатчик двери задка |
— ключа зажигания;
— ключа замков дверей;
— рабочего ключа иммобилизатора АПС-6;
— пульта дистанционного управления электропакетом.
Извлечение концевика из замка двери Шеви-Нивы
Таким образом мы снимаем рамку стекла. Далее отворачиваем заливную пробку и вынимаем накладку горловины бачка омывателя стекла двери задка
Осторожно поддеваем отверткой обивку и удаляем пистоны. Во время работы есть опасность повреждения окрашенной плоскости

Серьезной вмятины не будет, но все же царапина может остаться, так что рекомендуется конец отвертки обмотать изоляционной лентой. Обивка ставится на место в обратном порядке.

При повреждении пистонов нужно заменить их на новые. Переходим к приводу замка двери задка.

В процессе пригодится все та же отвертка. Дверная карта задней двери снимается даже в том случае, когда дверь заблокирована. Для начала откручиваем два самореза снизу дверной карты. Снимаем ручку стеклоподъемника, отогнув плоской отвёрткой ручку и потянув защёлку кверху.
Замена личинки замка на ниве шевроле
Откручиваем винт крепления декоративной накладки под ручкой двери, оттянув ручку на себя. Дверная карта держится на шести пистонах — два снизу, два по центу и два сверху. Они отщёлкиваются, если поддеть их длинной отвёрткой.
Теперь дверную карту можно снимать. Видео о снятии замка на Нива Шевроле Открытие двери Замок можно разблокировать, потянув за пластиковый язычок актуатора или за другой рычаг, используя длинную отвёртку, можно сдвинуть саму защёлку замка. Когда дверь открылась, можно снимать замок, но перед этим необходимо снять минусовую клемму с АКБ.

Замок держится на винтах крепления в торце двери. После их удаления длинной отвёрткой нужно снять приводные тяги, разъединить клеммные колодки и вынуть замок из дверной полости вместе с актуатором. После этого, когда замок будет в руках, причина станет видна. В крайнем случае, замок можно заменить.
Ступица нива шевроле — замена
Для замены ступичного подшипника на ниве, требуется вытащить ступицу. Это осуществляется по следующему плану.

1. Размонтирование конусной втулки.
2. Расконтривание гаек. Проблема может кроиться в том, что они часто слизываются или закисают. В этом случае можно использовать зубило и легкий молоток.
3. Девятнадцатой головкой или ключом нужно снять фиксаторы рычага. Они расположены, как спереди, так и сзади.
4. Извлекаются стопорные пластины. Это металлические перфорированные полосы, которые часто упускаются из виду.
5. Семнадцатым и десятым ключом требуется снять патрубки контура.
6. Под рычагом устанавливается упор. Двумя двенадцатыми ключами откручивается гайка, зафиксированная на болте фиксатора верхнего рычага.
7. Таким же образом откручивается и нижняя колодка.

8. Когда крепежа не осталось, возможно вытащить всю систему разом.
9. Фиксируя поворотный кулак струбциной, можно выбить ступицу.
10. После этого снимаются винты фиксации кулака к рычажному механизму.
Зная устройство ступицы переднего колеса нива 21213, можно произвести ремонт самостоятельно, без обращения в сервис.
1. Поворотный кулак жестко фиксируется в тисках или струбцине.
2. Аккуратно вытаскивается внутреннее колечко и сепаратор.
3. Внутренности ступичных подшипников вытаскиваются аналогичным образом.
4. Наружное кольцо извлекается пробойником.

Потребуется индикатор типа «часы». При установке, его ножка должна упираться в гайку регулировки. Изготовленный рычаг из шпильки плавно поворачивает механизм вокруг своей оси. Если зазор больше 0,15 миллиметров – гайка требует замены.
Замена замка зажигания на авто ВАЗ
· Отключается АКБ;
· Демонтируется пластиковый кожух;
· Снимаются винты крепления кронштейна;
· Ключ ставится в положение «0»;
· Шило или игла устанавливается в паз и отщелкивается фиксатор.
Схема замка зажигания ваз 2107 может несколько отличаться, если ранее были установлены неоригинальные комплектующие.
Предохранители шевроле нива с описанием схем блока. Предохранитель прикуривателя niva.

Переключите выключатели в оба положения Lock и Unlock при выключенном двигателе. Прислушайтесь к слабому щелчку срабатывающего реле. Если вы не услышите щелчка, проверьте присутствие напряжения на выключателях.

Если напряжение присутствует, проверьте провода между блоком предохранителей и выключателями на наличие коротких замыканий или разрывов. Если напряжение присутствует, но щелчка не слышно, проверьте выключатель на проводимость тока. Замените выключатель, если он не проводит ток ни в одном из положений см. Проверьте, чтобы механизм нигде не закусывало и шестерёнки были целые, без сломанных зубьев.
При шевроле нива блок центрального замка проблем можно заменить весь привод электростеклоподъёмника на новый. F6 15 А — блок управления блокировкой дверных замков.
Если у вас перестали открываться двери, одна или несколько, проверьте этот предохранитель. Дело может быть в центральном замке, блоке управления, а также самих механизмах, тягах и замках дверей.
12.21 Система центрального замка
Если нет опыта, лучше обратиться в автосервис. F7 20 А — звуковой сигнал и его реле, прикуриватель. Если не работает звуковой сигнал, проверьте этот предохранитель, подрулевые контакты и проводку, контакты могли окислиться, а проводка перетереться.

Также шевроле нива блок центрального замка сам гудок, можно его заменить на другой, например на двухтональный от Волги. Если не работает прикуриватель, проверьте проводку и его контакты.
Белый провод отвечает за подсветку, красный и чёрный идут на контакты прикуривателя. При замкнутых контактах переключателя электронный блок 2 управления включает все моторедукторы, которые через тяги блокируют замки дверей.
Почему не работает центральный замок на Шевроле Нива
При размыкании контактов замки разблокируются моторедукторами аналогичным образом. Блок управления центральным замком Блок управления центральным замком со следами выхода из строя отдельных её запчастей. Короткое замыкание в бортовой системе палит не только проводку и предохранитель, но и может стать причиной шевроле нива блок центрального замка неисправности блока управления центральным замком.

Так, для диагностики этого элемента управления, его необходимо достать с двери. Потом, при помощи тестера прозвонить контактные соединения. Бортовой компьютер Электронный блок управления уже давно перестал отвечать только за двигатель и контролирует многие автомобильные процессы. Так, на более поздних моделях Шевроле Нива причиной неисправности центрального шевроле нива блок центрального замка может послужить непосредственно ЭБУ.

Так, накопившиеся в нём ошибки основных систем могут сказаться и на работоспособности центрального замка. Устранить причину можно двумя путями.

Первый — это подключение к электронному блоку управления для сброса накопившихся ошибок и преднастройке.
Не работает центральный замок на Нива Шевроле

Центральный замок.
Выход со строя центрального замка автомобиля больше связан с неисправностью в электрической части, нежили, чем в механике. Так, большинство автомобилистов, для устранения неисправности отправляется к автоэлектрикам, поскольку не предполагают, причин по которым это проблема может появиться.
Факторы
Итак, рассмотрим, какие факторы влияют на неисправность узла центрального замка:
- Предохранитель.
- Моторчики привода.
- Проводка.
- Реле.
- Блок управления центральным замком.
- Бортовой компьютер.
Методы решения проблемы

Схема подключения центрального замка.
Когда все причины определены, можно приступать к устранению проблем. Стоит отметить, что электрическая часть достаточно сложная, а поэтому необходимо обладать некоторыми знаниями и навыками для устранения неисправности. Если автолюбитель не имеет понятия в конструктивных особенностях по автоэлектрике, то рекомендуется обратиться для устранения проблемы к профессионалам в автосервис.
Прежде чем приступить к методам решения проблемы необходимо понимать устройство центрального замка.

Схема подключения центрального замка
Схема системы блокировки замков дверей: 1 – монтажный блок;2 – блок управления; 3 – моторедуктор блокировки замка двери пассажира; 4 – моторедуктор блокировки замка задней двери;5 – моторедуктор блокировки замка двери водителя; А – к источникам питания; В – схема условной нумерации штекеров в колодке блока управления; С – схема условной нумерации штекеров в колодках моторедукторов блокировки замков
Неисправность предохранителя

Проблему стоит искать в блоке предохранителей, а именно в сгоревшем предохранители.
Первое место, где возникают все неисправности по электрической части автомобиля – это монтажный блок. Перегорание предохранителя может привести к тому, что центральный замок перестанет работать. Элементарная замена этого элемента может исправить проблему. Конечно, если осмотреть предохранитель, а он целый и не повреждённый, то поломку стоит искать в другом месте.
Моторчики привода

Неисправность моторчика привода.
Для устранения неисправности придётся поэтапно разобрать каждую дверь и демонтировать для диагностики каждый моторчик. Определить работоспособность элементов можно при помощи обычного мультиметра, или в его отсутствие – подключить привод к АКБ. Если после проверки оказалось, что моторчики рабочие, то стоит искать причину в другом месте.
Проводка

Неисправность вызванная проблемой с проводкой.
Так, короткое замыкание или поломка провода не проводит сигнал на блок управления центральным замком. Чтобы определить отсутствие контакта необходимо мультиметром прозвонить каждый провод. Если обнаружилось, что существует разрыв цепи, то стоит заменить поломанный элемент на новый. Но, как показывает практика, большинства автомобилистов просто разрезает проводку в месте потери контакта, зачищает и изолирует провода.
Реле

Полетело реле — один из признаков неисправности центрального замка.
Ещё одной причиной неработающего центрального замка может стать выход со строя реле в монтажном блоке. Так, необходимо достать элемент и провести диагностику при помощи тестера. Если диагностические операции показали, что реле «умерло», его необходимо сменить на новое.
Блок управления центральным замком

Блок управления центральным замком со следами выхода из строя отдельных её запчастей.
Короткое замыкание в бортовой системе палит не только проводку и предохранитель, но и может стать причиной получения неисправности блока управления центральным замком. Так, для диагностики этого элемента управления, его необходимо достать с двери. Потом, при помощи тестера прозвонить контактные соединения. Зачастую, если блок управления центральным замком вышел со строя, то его меняют, но есть «кулибины», которые перепаивают элемент и он вновь работоспособный.
Бортовой компьютер
Так, на более поздних моделях Шевроле Нива причиной неисправности центрального замка может послужить непосредственно ЭБУ. Так, накопившиеся в нём ошибки основных систем могут сказаться и на работоспособности центрального замка.
Устранить причину можно двумя путями. Первый – это подключение к электронному блоку управления для сброса накопившихся ошибок и преднастройке. Второй, более сложный – прошивка самого бортового компьютера.
Как отключить и зачем
Отключение иммобилайзера необходимо в следующих случаях:
- если он сломался и блокирует работу силового агрегата;
- если возникли проблемы в работе одного из элементов противоугонного устройства;
- если один из проводов сильно или частично поврежден и это повреждение мешает передаче сигналов;
- если хозяин автомобиля решил установить другое иммобилизирующее устройство;
- если нужно оснастить автомобиль противоугонной сигнализацией.
Перемычкой
Чтобы самому отключить иммобилайзер на Шевроле Нива, заранее заготавливают проволочную перемычку. Она необходима для восстановления информационного обмена между блоком управления двигателем и диагностическим выходом при отключенном иммобилайзере.
Для очистки памяти отсоединяют питание от блока управления блокиратора. После этого устанавливают перемычку между контактами с номерами 9 и 18, замкнув их. Затем устанавливают вместо стандартного чипа специализированный, с имеющимся в нем программным обеспечением для очищения памяти блокиратора.
Необходимо отметить, что этот способ подходит только для тех автомобилей, на которых установлен электронный блок управления двигателем типа Bosch M1.5.4. На автомобилях с блоком VS.1 или Январь 5.1 требуется перепайка микросхем или использование стороннего программного обеспечения. На машинах с блоком Bosch МР7 необходимо выпаивание микросхемы и ее отдельная перепрошивка.
Кодовое отключение
Кодовый способ отключения может быть использован только при условии, что исполнитель работ знает специальный пароль от иммобилайзера.

- Чтобы самим убрать код иммобилайзера, необходим рабочий и обучающий ключи зажигания. Рабочий ключ должен иметь черную головку, обучающий — черную с красной вставкой.
- Закрыть все двери. Обучающий ключ вставить в замок зажигания, включить зажигание на несколько секунд и сразу же выключить. Светодиодный индикатор при этом должен начать часто моргать.
- Как только светодиод начал моргание, в течение 6 секунд вынуть обучающий ключ и вставить рабочий. Опять включить зажигание на несколько секунд. Управляющий модуль иммобилайзера должен издать 3 звуковых сигнала.
- Не выключая зажигания, дождаться повторного двойного звукового сигнала биппера. После этого иммобилайзер отключится. Зажигание не выключать.
- Не выключая зажигания, ждать сначала тройного, а через некоторое время двойного звукового сигнала зуммера. После этого зажигание выключить и вместо рабочего ключа вставить в замок обучающий.
- После установки обучающего ключа должен раздаться одиночный звуковой сигнал, лампа светодиодного индикатора должна начать быстро моргать.
- В течение 6 секунд включить зажигание обучающим ключом. На щитке приборов должен включиться сигнал Check Engine, а еще через минуту — погаснуть.
- Ввести пароль, состоящий из цифр от 1 до 9. Чтобы ввести каждую цифру, необходимо нажать педаль газа до упора столько раз, сколько показывает цифра. После каждого нажатия фиксируют нижнее положение педали в течение 3 секунд. Если число нажатий соответствует цифре пароля, на шитке приборов будет включаться Check Engine.
- При правильном вводе цифры Check Engine должен гаснуть в течение 5 секунд после включения. Если он не гаснет на протяжении этого времени, цифра введена неверно. Если светодиодный индикатор начинает моргать еще чаще, значит, пароль введен неправильно.
- Для повторного ввода пароля выключить зажигание и включить его снова обучающим ключом.
- Для выхода из кодового режима выключить зажигание.
Если отключить не получается
Если отключить иммобилайзер на ВАЗ-2123 не получается, нужно обрезать питающие его электропровода и снять устройство, вывинтив крепежные элементы. Но в данном случае восстановить его будет трудно.
Дополнительный блок реле и предохранителей
Он находится за вещевым ящиком в ногах у переднего пассажира. Для доступа, к сожалению, придется снять вещевой ящик. Тут расположены предохранители электровентиляторов системы охлаждения и реле управления двигателем (система впрыска).
p, blockquote 42,0,0,0,0 –>
Схема
p, blockquote 43,0,0,0,0 –>

p, blockquote 44,0,0,0,0 –>
Назначение
p, blockquote 45,0,0,0,0 –>
- Дополнительное реле (включает правый электровентилятор через дополнительный резистор на низкую скорость вращения);
- Предохранитель (50А), защищающий силовые цепи дополнительного реле и реле правого электровентилятора;
- Предохранитель бензонасоса (топливного насоса) (15А), защищающий силовые цепи реле электробензонасоса;
- Предохранитель (15А), защищающий цепь постоянного питания контроллера;
- Реле правого электровентилятора;
- Реле левого электровентилятора;
- Реле электробензонасоса;
- Главное реле;
- Предохранитель (50А), защищающий цепи левого электровентилятора;
- Предохранитель (15А), защищающий силовые цепи, включаемые главным реле;
- Контроллер
Ремонт электрического центрального замка
Отечественные ЦЗ с соленоидами через несколько лет эксплуатации начинают бояться перепадов температуры на понижение, особенно в условиях повышенной влажности и в осенне-весенний период. Соленоиды сперва начинают подклинивать, а спустя какое-то время они могут вовсе отказаться открывать/закрывать замок. Они обычно встречаются на авто с заводской установкой ЦЗ. Лучше их менять на приводы с моторчиком, но можно попробовать разобрать, почистить и смазать свежей смазкой.
Несрабатывание или частичное срабатывание активатора одной или нескольких дверей может быть вызвано:
- обрывом или плохим контактом в питающей цепи от выключателя активатора водительской двери до силового реле (напрямую или через управляющую плату) и после него до неработающего привода;
- выходом из строя реле;
- неисправностью управляющей платы – если есть;
- плохим контактом или обрывом проводов на клеммах мотора или соленоида внутри активатора;
- износом шестерен активатора (с моторчиком) или его подвижных элементов (для всех приводов);
- сгоревшей обмоткой моторчика или катушки соленоида.
При открывании на этом проводе напряжение должно пропасть, а на другом – появиться. Затем, в зависимости от полученных результатов тестирования, проверяют либо сам активатор и устраняют неисправность в нем, либо всю цепь до него по отдельности (до реле, включая управляющую плату, если есть, затем само реле и проводку после реле) с восстановлением работоспособности поврежденных участков. Наиболее часто встречающаяся поломка в системе ЦЗ – обрыв провода в гофре между дверью и кузовом автомобиля.
На шевроле нива не работает центральный замок: фото

Дело может быть в центральном замке, блоке управления, а также самих механизмах, тягах и замках дверей.

Вкратце, снимаем блок предохранителей, вынимаем блок электропакета. Эта неисправность достаточно редкая, но её не стоит исключать. Попробовал переобучить заново ключ-брелок, он уже давно не реагировал на нажатие кнопок в брелке.
Контакты реле, встроенных в основной блок, включаются в разрывы сигнальных проводов см. Посоветовали обратится в сервис по установке сигнализаций. Если при управлении стеклоподъёмником стекло опускается, но не поднимается или наоборотпроверьте кнопку на двери.
Посоветовали обратится в мастерскую по изготовлению различных ключей, я съездил в одну, у них там анализатор чипов вышел из строя, помочь мне не смогли, но озвучили цену «От до за чип, в зависимости от вида». Посоветовали обратится в сервис по установке сигнализаций. Приехал туда, он мне «Да сделаем р», я ему говорю «А что так дорого, за что это вобще? В который раз убеждаюсь, лучше чем сам, никто не сделает.

Пока возился с «Норма», узнал много интересного, например как можно к штатной охранке подключить одноуровневый датчик удара или объема, как правильно подключить сигнализацию, кстати нашел такую интересную информацию, о том что задний обогрев стекла является антенной для брелка, так же оказалось у многих людей часто встречается проблема, брелок перестает работать из далека, только в определенном месте возле машины, проблема в отвалившихся компонентах СМД в микросхеме брелка.
Так, на более поздних моделях Шевроле Нива причиной неисправности центрального замка может послужить непосредственно ЭБУ.
Так, накопившиеся в нём ошибки основных систем могут сказаться и на работоспособности центрального замка. Устранить причину можно двумя путями.
Первый — это подключение к электронному блоку управления для сброса накопившихся ошибок и преднастройке. Второй, более сложный — прошивка самого бортового компьютера.

Проводить подключение без использования предохранителя категорически запрещено. Одновременно с чем, обмотки реле необязательно защищать пред-колбой.

Это же относится к сигнальным проводам, то есть, к нормально разомкнутому контакту отпирающего реле. В принципе, добавить предохранители можно во все три цепи.

Этот блок надо демонтировать, отвернув один саморез сверху. Некоторые модели могут быть оборудованы противоугонной системой, встроенной в схему центрального замка.
Если Вам не удается самостоятельно выявить причину отказа путем проведения ряда общих проверок, обратитесь за консультацией в дилерское отделение компании Chrysler. При выключенном двигателе попереключайте выключатели замков дверей в обоих направлениях Открыто — Закрыто.
Реле при этом должны издавать хорошо различимые щелчки. При опускании и поднимании разная полярность и направление вращения двигателя. Также дело может быть в механизме стеклоподъёмника.

Чтобы добраться до него, нужно снять обшивку двери. Проверьте, чтобы механизм нигде не закусывало и шестерёнки были целые, без сломанных зубьев.

При наличии проблем можно заменить весь привод электростеклоподъёмника на новый. F6 15 А — блок управления блокировкой дверных замков. Вкратце, снимаем блок предохранителей, вынимаем блок электропакета.
Собираем 2 реле вместе по схеме. Это вообще нетривиальная задача — по печатной плате нарисовать принципиальную схему. Просто в каждой коробочке с сигнализацией обычно кроме самой сигнализации и проводочков лежит описание со схемами подключения.
Сигнализация с центральным замком в Шевроле-Нива
В некоторых комплектациях «Нивы-Шевроле» установлен центральный замок. Если штатный ЦЗ действительно есть, им управляет единый модуль. Нужно заметить, что этот же модуль выполняет роль штатной сигналки. Получается, что сигнализация с центральным замком установлена в «Шниве» с завода, но к ней, то есть к штатному модулю, всегда можно подключить и дополнительную сигналку. Один из вариантов такого подключения рассматривается дальше.
Совмещаем две разных сигнализации
Итак, допустим, что одна сигнализация в «Ниве-Шевроле» уже установлена (с завода). Значит, будем использовать провода, подключенные к её модулю изначально. Здесь есть отводы концевиков и масса, а также управляющие провода ЦЗ.
Отводы концевиков багажника и дверей
Замком управляют два провода — жёлто-синий и синий. Вдобавок потребуется найти ещё один шнур, питающий актуаторы пассажирских дверей.
Масса и все кабели ЦЗ
Кабель, о котором мы говорим, является силовым и обычно покрыт жёлтой изоляцией.
Схема подключения дополнительной сигнализации
Чтобы управлять всеми замками, а не только актуатором водителя, нужно реализовать следующий вариант подключения:
Управление штатным ЦЗ, схема
Перечислим особенности этого варианта:
- Контакты реле, встроенных в основной блок, включаются в разрывы сигнальных проводов (см. рис);
- Свободным оставляют нормально разомкнутый контакт запирающего реле. В «Шниве» закрытие идёт, когда шнур оказывается «в воздухе»;
- Длительность управляющего импульса выставляют в значение «0,8 секунды»;
- Управляющий выход программируют так, чтобы он задействовался во время отпирания. Этот выход управляет ещё одним, третьим по счёту реле.
Поговорим о том, зачем дополнительное реле здесь нужно. Если его изъять, мы увидим, что замки пассажиров не открываются с брелока. В принципе, такой вариант тоже является приемлемым: кроме дистанционного отпирания трёх дверей, будет работать всё.
Предохранитель на 15 Ампер, показанный на схеме, включен последовательно с кабелем, подводимым к актуаторам.
Проводить подключение без использования предохранителя категорически запрещено. Одновременно с чем, обмотки реле необязательно защищать пред-колбой. Это же относится к сигнальным проводам, то есть, к нормально разомкнутому контакту отпирающего реле. В принципе, добавить предохранители можно во все три цепи. А ещё, обмотку «нижнего» реле можно питать от 87-го контакта.
Практическая реализация схемы
Наверняка читатель знает, где в «Ниве-Шевроле» установлен блок предохранителей. Этот блок надо демонтировать, отвернув один саморез сверху.
Модуль предохранителей и реле
Под указанным блоком будет закреплена коробка из пластика. Она как раз и нужна нам.
Модуль 1118-6512010
На разъёме показанного здесь модуля есть три «важных» шнура: синий, сине-жёлтый, жёлтый. Отводы от трёх точек разрыва протягивают к устанавливаемой сигналке, а также к дополнительному реле (см. схему)
Особое внимание нужно уделить соединениям силовых проводов
Модуль дополнительного реле можно изготовить самостоятельно. Через контакты здесь пойдёт ток, не превышающий 8 Ампер, так что сложностей не возникнет:
Самодельный модуль дополнительного реле
Диод, который показан на основной схеме, может быть любым (его характеристики не так важны). Главное, чтобы он был, иначе можно сжечь управляющий выход, к которому подключают коммутируемую обмотку.
Помните главное: проводить любые монтажные работы можно тогда, когда от АКБ отключена «минусовая» клемма.
Силовые кабели лучше соединять скруткой, но уметь правильно её выполнить – это целое искусство. Все точки соединений нужно изолировать. Но и этого будет недостаточно: в местах касания металла шнур защищают термостойкой изоляцией. Именно так можно обезопасить себя от непредвиденных последствий.
Особенности программирования новой сигналки
Допустим, схема, рассмотренная выше, была реализована без ошибок. На втором шаге, как легко догадаться, нужно правильно запрограммировать сигналку. А иначе, есть вероятность сжечь актуаторы, установленные в дверях пассажиров. Совет прост: нельзя делать управляющий импульс дольше одной секунды. Впрочем, по умолчанию используется значение 0,7 или 0,8.
Карта настроек современной сигнализации
Нужно правильно запрограммировать и используемый сигнальный выход (он должен активироваться в момент отпирания). Альтернативный способ – это использование выхода «2-шагового отпирания». Продолжительность импульса на нём нужно выставить в пределах 0,7-0,8 с. По умолчанию установлено значение 30 с, и угадайте, чем это в данном случае грозит.
Не работает центральный замок на Нива Шевроле

Выход со строя центрального замка автомобиля больше связан с неисправностью в электрической части, нежили, чем в механике. Так, большинство автомобилистов, для устранения неисправности отправляется к автоэлектрикам, поскольку не предполагают, причин по которым это проблема может появиться.
Факторы
Итак, рассмотрим, какие факторы влияют на неисправность узла центрального замка:
- Предохранитель.
- Моторчики привода.
- Проводка.
- Реле.
- Блок управления центральным замком.
- Бортовой компьютер.
Методы решения проблемы

Схема подключения центрального замка.
Когда все причины определены, можно приступать к устранению проблем. Стоит отметить, что электрическая часть достаточно сложная, а поэтому необходимо обладать некоторыми знаниями и навыками для устранения неисправности. Если автолюбитель не имеет понятия в конструктивных особенностях по автоэлектрике, то рекомендуется обратиться для устранения проблемы к профессионалам в автосервис.
Прежде чем приступить к методам решения проблемы необходимо понимать устройство центрального замка.

Схема подключения центрального замка
Схема системы блокировки замков дверей: 1 – монтажный блок;2 – блок управления; 3 – моторедуктор блокировки замка двери пассажира; 4 – моторедуктор блокировки замка задней двери;5 – моторедуктор блокировки замка двери водителя; А – к источникам питания; В – схема условной нумерации штекеров в колодке блока управления; С – схема условной нумерации штекеров в колодках моторедукторов блокировки замков

























































